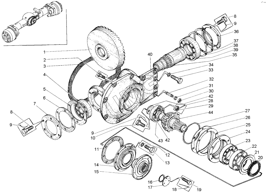
ДЗ-98В.1. Мост задний ведущий (ДЗ-98В1.62.00.000)
1
2
3
4
5
6
7
8
8
9
9
9
10
11
12
13
14
15
16
17
18
19
20
21
22
23
24
25
26
27
28
29
30
31
32
33
34
35
36
37
38
39
40
42
42
43
44
| Позиция на иллюстрации | Заводской номер детали | Название детали | |
|---|---|---|---|
| 1 | Д395А-0201199 | Шестерня коническая | |
| 2 | ДЗ-98.62.00.048 | Болт | |
| 3 | Д394.0201.055 | Прокладка | |
| 4 | 7313333 | Подшипник | |
| 5 | Д394.0201.016 | Прокладка толстая | |
| 6 | Д394.0201.018 | Прокладка тонкая | |
| 7 | Д394.0201.050 | Крышка подшипника | |
| 8 | Д394.0201.128 | Болт специальный | |
| 9 | 1,63282 | Проволока | |
| 10 | Д144-13-036 | Болт | |
| 11 | Д395В.62.00.018 | Прокладка | |
| 12 | 12.65Г.0696402 | Шайба | |
| 13 | М12-6gх45.58.0197796 | Болт | |
| 14 | ДЗ-98Б.62.00.058 | Крышка подшипника | |
| 15 | Д395В.62.00.060 | Фланец | |
| 16 | 052-058-36-2-218829/9833 | Кольцо | |
| 17 | Д395Б.05.016 | Шайба | |
| 18 | 23282 | Проволока | |
| 19 | Д395.0201.182 | Болт | |
| 20 | 1-90х120-18752 | Манжета | |
| 21 | Д395В.62.00.014 | Отражатель | |
| 22 | 3158338 | Подшипник | |
| 23 | 23158328 | Подшипник | |
| 24 | Д395В.62.00.012 | Стакан | |
| 25 | Д395В.62.00.017 | Прокладка средняя | |
| 26 | Д395В.62.00.015 | Прокладка толстая | |
| 27 | 170-180-58-2-29833 | Кольцо | |
| 28 | 2х20397 | Шплинт | |
| 29 | Д394.0201.155 | Гайка М8 | |
| 30 | Д144-49-108 | Гайка | |
| 31 | Д144-49-109 | Втулка конусная | |
| 32 | Д144-49-107 | Шпилька | |
| 33 | 067.11.11.093 | Болт | |
| 34 | 16.65Г.0696402 | Шайба | |
| 35 | Д395В.62.00.002 | Втулка шлицевая | |
| 36 | Д394.0201.054 | Крышка подшипника | |
| 37 | Д394.0201.027 | Прокладка средняя | |
| 38 | Д394.0201.026 | Прокладка толстая | |
| 39 | 7218333 | Подшипник | |
| 40 | Д395В.62.00.011 | Кронштейн главной передачи | |
| 41 | Д395.0201.185 | Шайба | |
| 42 | 323118328 | Подшипник | |
| 43 | Д394.0201.104 | Шайба | |
| 44 | Д395В.62.00.008 | Вал-шестерня |