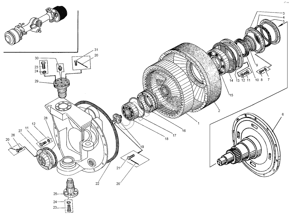
ДЗ-98В.1. Мост передний ведущий (ДЗ-98В1.61.00.000)
1
2
3
4
5
6
7
8
9
10
11
11
12
12
13
14
15
16
17
18
19
20
20
20
21
22
23
23
24
24
25
26
27
28
29
30
31
| Позиция на иллюстрации | Заводской номер детали | Название детали | |
|---|---|---|---|
| 1 | Д395А.0201.152 | Шестерня | |
| 2 | Д395А.0201.090 | Корпус | |
| 3 | Д394.0201.088 | Корпус сальника | |
| 4 | СП210-178-146308 | Кольцо | |
| 5 | Д394.0201.089 | Крышка сальника | |
| 6 | ДЗ-98В1.62.00.300 | Ступица колеса | |
| 7 | 8.65Г.0696402 | Шайба | |
| 8 | М8-6gх20.58.0197796 | Болт | |
| 9 | Д395.0201.087 | Втулка | |
| 10 | 1-130х160-18752 | Манжета | |
| 11 | М12-6gх40.58.0197798 | Болт | |
| 12 | 12.65Г.0696402 | Шайба | |
| 13 | Д395А.0201.085 | Крышка подшипника | |
| 14 | Д394.0201.084 | Прокладка | |
| 15 | 3228338 | Подшипник | |
| 16 | Д395А.0201.221 | Стакан | |
| 17 | 190-200-58-2-218829/9833 | Кольцо | |
| 18 | 326158328 | Подшипник | |
| 19 | Д394.0201.121 | Фланец | |
| 20 | 23282 | Проволока | |
| 21 | Д394.0201.144 | Болт | |
| 22 | Д394.0201.124 | Прокладка | |
| 23 | М16-6gх35.58.0197798 | Болт | |
| 24 | 16.65Г.0696402 | Шайба | |
| 25 | Д395.0203.018 | Палец | |
| 26 | Д395.0201.182 | Болт | |
| 27 | ДЗ-98А.62.00.053 | Крышка | |
| 28 | Д395А.0201.223 | Прокладка | |
| 29 | Д395.0203.013 | Палец | |
| 30 | 1.319853 | Масленка | |
| 31 | Д394.0201.128 | Болт специальный |