Товары
Каталог запчастей
Личный кабинет
Авторизация
Портал для заказа запасных частей
В товарах
В каталоге запчастей
Внимание!!! Сайт только для тестирования.
Каталоги запчастей к технике UMG
ЧСДМ
ДЗ-98В.1
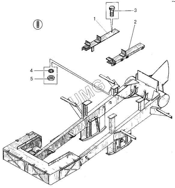
Рама (ДЗ-98В.21.04.000, ДЗ-98В1.2.21.04.000)
ДЗ-98В.1. Рама (ДЗ-98В.21.04.000, ДЗ-98В1.2.21.04.000)
zoom-in
zoom-out
enlarge
shrink
circle-right
circle-left
file-text2
info
cart
1
2
3
4
5
Позиция на иллюстрации
Заводской номер детали
Название детали
1
ДЗ-98В1.21.04.010-01
Прогон левый
2
ДЗ-98В1.21.04.020-01
Прогон правый
3
М16-6gх50.58.0197796
Болт
4
16.65Г.0696402
Шайба
5
М16-6Н.5.0195915
Гайка
Дополнительная информация
×
Название:
Номер:
Примечание:
АвтоКаталог-онлайн предоставлен
Компанией АвтоСофт