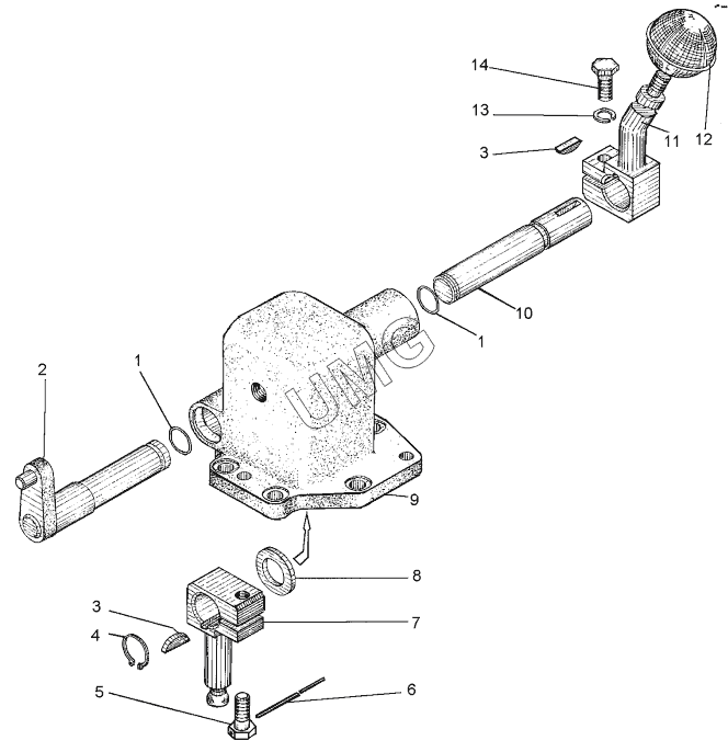
ДЗ-98В.1. Механизм переключения реверса (Д395В.10.04.050)
1
1
2
3
3
4
5
6
7
8
9
10
11
12
13
14
| Позиция на иллюстрации | Заводской номер детали | Название детали | |
|---|---|---|---|
| 1 | 020-025-30-2-218829/9833 | Кольцо | |
| 2 | ДЗ-98.10.04.350 | Валик | |
| 3 | Д395Б.03.028 | Шпонка сегментная | |
| 4 | 1Б2513941 | Кольцо | |
| 5 | Д395Б.02.072 | Болт специальный | |
| 6 | 1,6-С3282 | Проволока | |
| 7 | ДЗ-98.10.04.430 | Рычаг в сборе | |
| 8 | Д395В.10.04.011 | Шайба | |
| 9 | Д395В.10.04.007-1 | Крышка | |
| 10 | Д395В.10.04.009 | Валик | |
| 11 | ДЗ-98.10.04.480 | Рычаг | |
| 12 | Д148-Л2-77 | Ручка шаровая | |
| 13 | 12.65Г.0696402 | Шайба | |
| 14 | М12-6gх30.58.0197796 | Болт |