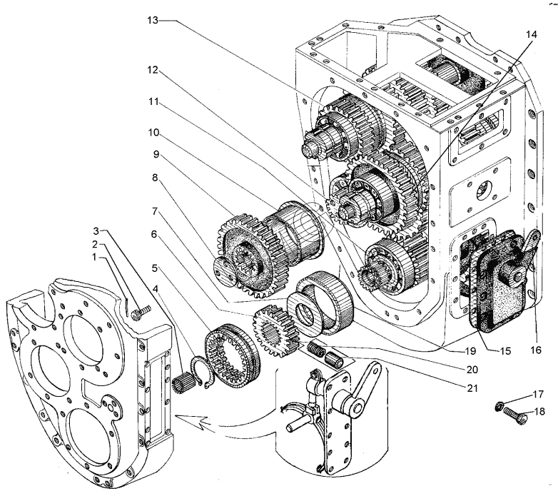
ДЗ-98В.1. Коробка передач (ДЗ-98.10.04.000)
1
2
3
4
5
6
7
8
9
10
11
12
13
14
15
16
17
18
19
20
21
| Позиция на иллюстрации | Заводской номер детали | Название детали | |
|---|---|---|---|
| 1 | 1,63282 | Проволока | |
| 2 | ДЗ-98.10.04.165 | Болт | |
| 3 | 30х42х4464706 | Подшипник игольчатый | |
| 4 | 1В7513940 | Кольцо | |
| 5 | Д395В.10.04.033 | Муфта | |
| 6 | Д395Б.04.013-1 | Муфта | |
| 7 | Д395Б.04.142 | Кольцо | |
| 8 | ДЗ-98.10.04.123 | Шайба | |
| 9 | Д395Б.04.135 | Шестерня | |
| 10 | Д395Б.04.109 | Стакан | |
| 11 | Д395Б.04.050 | Вал мультипликатора | |
| 12 | Д395Б.04.040 | Вал промежуточный | |
| 13 | Д395Б.04.030 | Вал реверса | |
| 14 | ДЗ-98А.10.04.540 | Вал ведущий | |
| 15 | Д395Б.04.161 | Прокладка | |
| 16 | Д395Б.04.100 | Механизм переключения мультипликатора | |
| 17 | 12.65Г.0696402 | Шайба | |
| 18 | М12-6gх35.58.0197796 | Болт | |
| 19 | Д395Б.04.131 | Стакан | |
| 20 | ДЗ-98.10.04.062 | Пружина | |
| 21 | Д395Б.04.014 | Фиксатор |