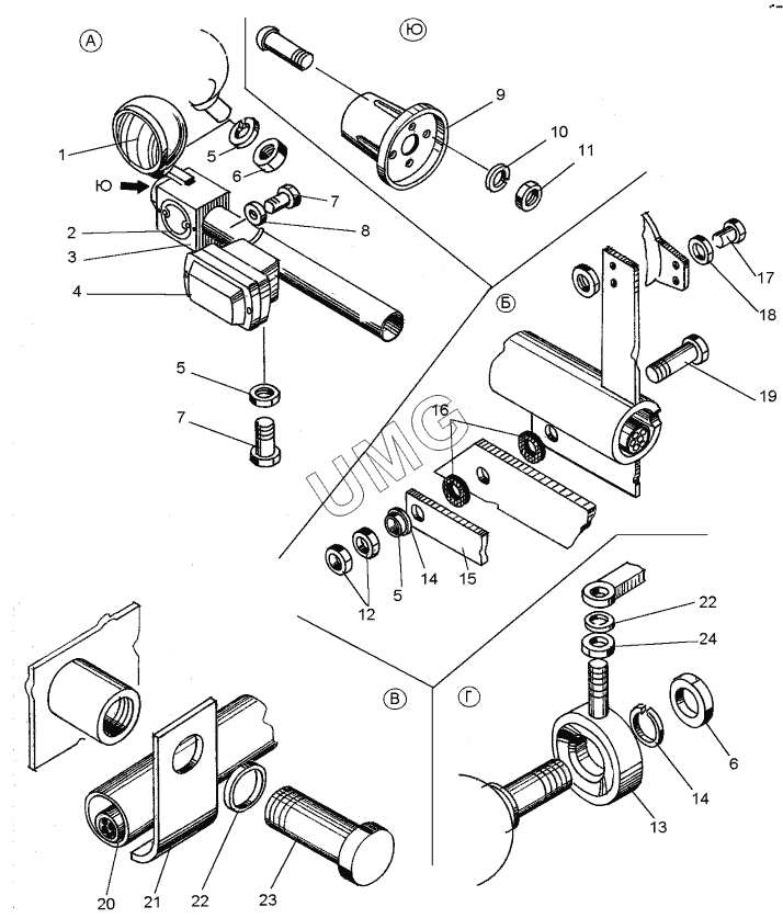
ДЗ-98В.1. Установка электрооборудования (ДЗ-98В.41.00.000-01)
1
2
3
4
5
5
5
6
6
7
7
8
9
10
11
12
13
14
14
15
16
17
18
19
20
21
22
22
23
24
| Позиция на иллюстрации | Заводской номер детали | Название детали | |
|---|---|---|---|
| 1 | 4573721264 | Фара ФГ-305.37.11.000 | |
| 2 | 4573722067 | Фонарь ПФ 101-В | |
| 3 | ДЗ-98.41.00.013 | Крышка | |
| 4 | 4573728027 | Фара ФГ 152 | |
| 5 | 12.65Г.0696402 | Шайба | |
| 6 | М12х1,25-6Н.5.0795915 | Гайка | |
| 7 | М6-6gх16.58.0197798 | Болт | |
| 8 | 6.65Г.0696402 | Шайба | |
| 9 | 4573823014 | Боковой повторитель поворотов УП 101Б | |
| 10 | 5.65Г.0696402 | Шайба | |
| 11 | М5-6Н.5.0195927 | Гайка | |
| 12 | М12-6Н.5.0195915 | Гайка | |
| 13 | ДЗ-98.41.06.000 | Кронштейн | |
| 14 | С12.02.01911371 | Шайба | |
| 15 | ДЗ-98.41.00.017 | Втулка | |
| 16 | ДЗ-98.41.00.016 | Амортизатор | |
| 17 | М6-6gх16.58.0197798 | Болт | |
| 18 | 6.65Г.0696402 | Шайба | |
| 19 | М12-6gх70.58.0197798 | Болт | |
| 20 | ДЗ-98Б.41.062 | Труба | |
| 21 | ДЗ-98.41.00.002 | Хомутик | |
| 22 | 10.65Г.0696402 | Шайба | |
| 23 | М10-6gх20.58.0197798 | Болт | |
| 24 | М10-6Н.5.0195915 | Гайка | |
| 25 | ДЗ-98.41.06.000 | Кронштейн |