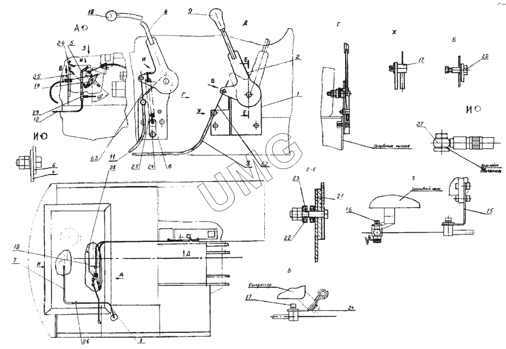
E145W (ЕК-14). Управление двигателем 314-02-03.02.000
1
2
3
4
4
5
6
6
7
8
9
10
11
12
15
16
17
17
18
19
20
21
22
23
24
24
24
25
25
26
27
28
29
62
63
| Позиция на иллюстрации | Заводской номер детали | Название детали | |
|---|---|---|---|
| 1 | 312-04-03.50.310 | Кронштейн | |
| 2 | 312-04-03.50.320 | Рычаг | |
| 3 | 312-04-03.50.330 | Оболочка | |
| 4 | 312-04-03.50.340 | Рычаг | |
| 5 | 312-04-03.51.080 | Шланг | |
| 6 | 312-04-03.50.360 | Кронштейн | |
| 7 | 13.03.02.030 | Рукав | |
| 8 | 13.03.02.050 | Трубопровод | |
| 9 | 13.80.04.670 | Ручка | |
| 10 | 312-04-03.51.090 | Трубопровод | |
| 11 | 13.03.02.020 | Оболочка | |
| 12 | 314-02-03.02.080 | Трубопровод | |
| 15 | 314-02-03.02.001 | Кронштейн | |
| 16 | 312-04-03.50.302 | Палец | |
| 17 | 13.03.02.008 | Упор | |
| 18 | 312-20-02.21.006 | Головка | |
| 19 | ЭО-3323.04.02.001 | Рычаг | |
| 20 | ЭО-3322А.02.03.005 | Палец | |
| 21 | Э302-1-2200-03 | Диск фрикционный | |
| 22 | ЭО-3323.04.02.002 | Чашка | |
| 23 | ЭО-3322А.02.06.003 | Пружина | |
| 24 | ЭО-3323.04.02.004 | Скоба | |
| 25 | Э302-1-2200-04 | Пружина возвратная | |
| 26 | Э302-1-2200-06 | Скоба | |
| 27 | 13.03.02.009 | Штуцер | |
| 28 | ЭО-3323.01.90.009 | Штуцер | |
| 29 | 312-04-03.51.017 | Штуцер | |
| 62 | [Проволока Б-2-1,6 ГОСТ9398-75 (L=2830мм)] | Проволока Б-2-1,6 ГОСТ9398-75 (L=2830мм) | |
| 63 | [Проволока Б-2-1,6 ГОСТ9398-75 (L=2000мм)] | Проволока Б-2-1,6 ГОСТ9398-75 (L=2000мм) |