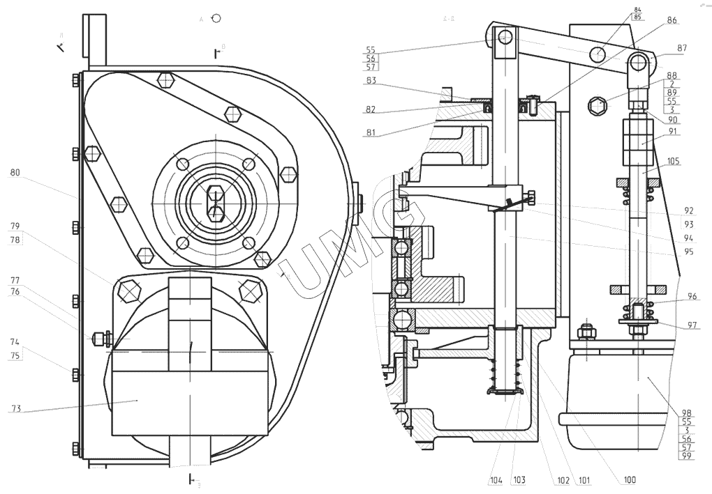
E145W (ЕК-14). Коробка перемены передач 314-02-72.51.000
2
3
3
55
55
55
56
56
57
57
73
73
74
75
76
77
78
79
80
81
82
83
85
86
87
88
89
90
91
92
93
94
95
96
97
98
99
100
101
102
103
104
105
| Позиция на иллюстрации | Заводской номер детали | Название детали | |
|---|---|---|---|
| 2 | 7798.М12х35.58.019 | Болт | |
| 3 | 6402.12.65Г | Шайба | |
| 55 | 1137112 | Шайба | |
| 56 | 397.3,2х20.019 | Шплинт | |
| 57 | 9650.22-12d11х40 | Ось | |
| 73 | 303.3.112.501 | Гидромотор | |
| 73 | A6VM107HA1T/63WVABW370A-SK+BVD | Гидромотор | |
| 74 | 7798.М8х20.58.019 | Болт | |
| 75 | 6402.8.65Г | Шайба | |
| 76 | 56-01.02.000 | Сапун | |
| 77 | 314-02-72.51.058 | Крышка | |
| 78 | 6402.16.65Г | Шайба | |
| 79 | 7798.М16х110.58.019 | Болт | |
| 80 | 314-02-72.51.059 | Прокладка | |
| 81 | 8752.2.1-30х52-1 | Манжета | |
| 82 | Э302-2-0000-06 | Грязесъемник | |
| 83 | Э302-3-1100-10А | Крышка | |
| 84 | 397.4х28.019 | Шплинт | |
| 85 | 1137116 | Шайба | |
| 86 | 17473.М6-8gх12.58.019 | Винт | |
| 87 | 314-02-72.51.051 | Рычаг | |
| 88 | ЭО-3322Б.70.20.051 | Бонка | |
| 89 | 5915.М12-6H.5.019 | Гайка | |
| 90 | ЭО-3322Б.70.60.004 | Гайка | |
| 91 | 5915.М18х1,5-6H.5.019 | Гайка | |
| 92 | 314-02-72.51.057 | Винт | |
| 93 | 3282.1,6-0-Ч | Проволока (L=120мм) | |
| 94 | 314-02-72.51.053 | Вилка | |
| 95 | 314-02-72.51.048 | Шток | |
| 96 | ЭО-3323.20.50.007 | Пружина | |
| 97 | ЭО-3322Б.70.20.052 | Планка | |
| 98 | ЭО-3322Д.24.01.008 | Гайка | |
| 99 | 100-3519210-01 | Камера тормозная | |
| 100 | ЭО-3322Б.70.20.042 | Кольцо | |
| 101 | 314-02-72.51.049 | Вилка | |
| 102 | ЕК-16.72.50.025 | Пружина | |
| 103 | ЕК-14А.72.51.035 | Шайба | |
| 104 | ЕК-14А.72.51.036 | Шайба | |
| 105 | ЭО-3322Б.70.20.034 | Шток |