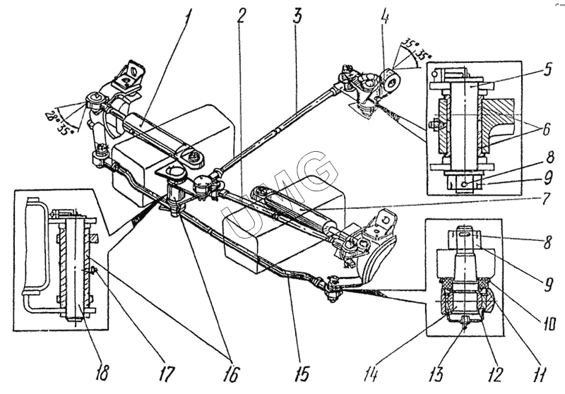
E185W (ЕК-18). 314-02-70.40.000 Управление поворотом колес
1
2
3
4
5
6
7
8
8
9
9
10
11
12
13
14
15
16
17
18
| Позиция на иллюстрации | Заводской номер детали | Название детали | |
|---|---|---|---|
| 1 | ЭО-3323А.71.80.300 | Гидроцилиндр | |
| 2 | ЭО-3323А.71.40.300 | Тяга поперечная буксировочная | |
| 3 | 318-00-43.40.206 | Тяга верхняя | |
| 4 | ЭО-3323.20.40.005 | Водило | |
| 5 | ЭО-3323.71.40.001 | Палец | |
| 6 | Э-302-3-1000-03 | Втулка | |
| 7 | ЭО-3323А.71.80.400 | Гидроцилиндр | |
| 8 | 397.5х50-019 | Шплинт | |
| 9 | ЭО-3323.20.40.004 | Гайка | |
| 10 | ЭО-3323.20.40.003 | Шайба | |
| 11 | ЭО-3322А.68.00.008 | Уплотнение | |
| 12 | 3635.ШС-35 | Подшипник | |
| 13 | 19853.1.2Ц6 | Масленка | |
| 14 | ЭО-3322Б.70.50.103 | Палец | |
| 15 | ЭО-3323.20.40.300 | Тяга поперечная | |
| 16 | 314-02-70.40.100 | Рычаг двуплечий | |
| 17 | 19853.13Ц6хр | Масленка | |
| 18 | ЭО-3323.20.40.810 | Шкворень |