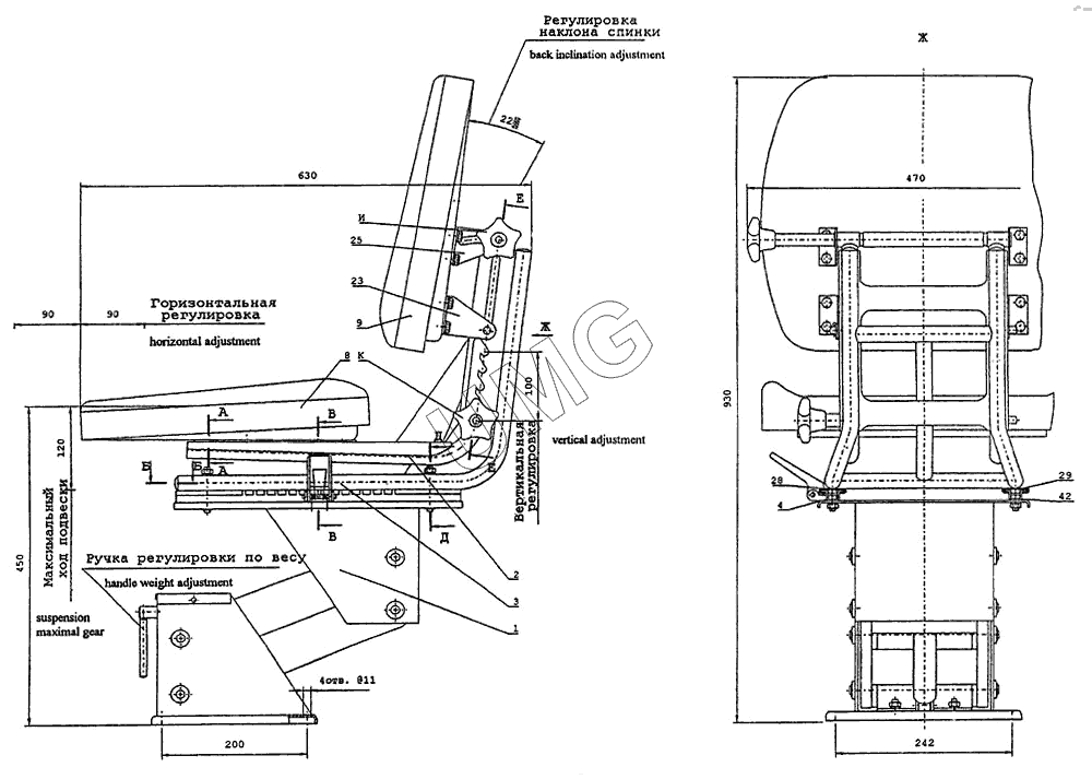
E185W (ЕК-18). 312-00-86.00.000-10 Сиденье машиниста
1
2
3
4
8
9
23
25
28
29
42
| Позиция на иллюстрации | Заводской номер детали | Название детали | |
|---|---|---|---|
| 1 | 312-00-86.01.000 | Подвеска сиденья | |
| 2 | 312-00-86.02.000 | Рама подвижная | |
| 3 | 312-00-86.03.000 | Рама | |
| 4 | 312-00-86.04.000 | Направляющая | |
| 5 | 312-00-86.05.000 | Стержень стяжной | |
| 8 | 312-00-86.08.000 | Подушка сиденья | |
| 9 | 312-00-86.09.000 | Подушка спинки | |
| 10 | 312-00-86.10.000 | Ручка | |
| 11 | 312-00-86.11.000 | Ручка | |
| 19 | 312-00-86.00.001 | Втулка упорная | |
| 20 | 312-00-86.00.002 | Втулка упорная | |
| 21 | 312-00-86.00.003 | Палец резьбовой | |
| 22 | 312-00-86.00.004 | Кронштейн опорный | |
| 23 | 312-00-86.00.004-10 | Кронштейн опорный | |
| 24 | 312-00-86.00.005 | Кронштейн поворотный | |
| 25 | 312-00-86.00.005-10 | Кронштейн поворотный | |
| 26 | 312-00-86.00.006 | Шайба | |
| 27 | 312-00-86.00.007 | Фиксатор | |
| 28 | 312-00-86.00.008 | Планка | |
| 29 | 312-00-86.00.008-10 | Планка | |
| 30 | 312-00-86.00.009 | Пружина стопора | |
| 31 | 312-00-86.00.011 | Фиксатор | |
| 34 | 312-00-86.00.013 | Заглушка | |
| 35 | 312-00-86.00.014 | Ось | |
| 36 | 312-00-86.00.015 | Ролик | |
| 42 | 312-00-86.04.001-10 | Направляющая | |
| 48 | 7798.ВМ8-8gх16.58.019 | Болт | |
| 50 | 7798.ВМ8-8gх35.58.019 | Болт | |
| 52 | 5915.М8-7Н.5.019 | Гайка | |
| 54 | 11371.6.01.019 | Шайба | |
| 55 | 11371.10.01.019 | Шайба | |
| 56 | 11371.12.01.019 | Шайба | |
| 57 | 6402.8.65Г.019 | Шайба | |
| 60 | 397.1,6х10.001 | Шплинт | |
| 61 | 397.2,5х20.001 | Шплинт | |
| 63 | 9650.6-6h11х55.Ц | Ось | |
| 66 | 3722.Б14.288-200 | Шарик |