Товары
Каталог запчастей
Личный кабинет
Авторизация
Портал для заказа запасных частей
В товарах
В каталоге запчастей
Внимание!!! Сайт только для тестирования.
Каталоги запчастей к технике UMG
ТВЭКС
E145W (ЕК-14)
Блок переливных клапанов
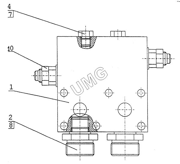
E145W (ЕК-14). Блок переливных клапанов
zoom-in
zoom-out
enlarge
shrink
circle-right
circle-left
file-text2
info
cart
1
2
4
7
8
10
Позиция на иллюстрации
Заводской номер детали
Название детали
1
ЭО-3323А.08.07.401
Корпус
2
ЭО-3323.31.12.202
Штуцер
4
ЭО-3322А.24.01.014
Заглушка
7
9833.012-016-25-2-2
Кольцо
8
9833.024-028-25-2-2
Кольцо
10
510.20.10А
Гидроклапан предохранительный
Дополнительная информация
×
Название:
Номер:
Примечание:
АвтоКаталог-онлайн предоставлен
Компанией АвтоСофт