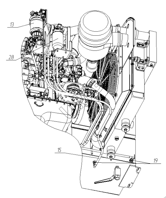
Е235WHE-20. Установка топливопроводов. 175-20-28.05.000-37
13
15
19
| Позиция на иллюстрации | Заводской номер детали | Название детали | |
|---|---|---|---|
| 26950031821 | 26950031821 | Адаптер М22х1,5 (female) 0-ring-М16х1,5 (male) | |
| 1 | 175-20-28.05.400 | Кронштейн | |
| 2 | 175-20-28.05.500 | Кронштейн фильтра тонкой очистки топлива | |
| 3 | 26950017582 | Болт | |
| 4 | 26950019463 | Болт | |
| 5 | 26950020307 | Болт | |
| 6 | 02120000071 | Болт | |
| 7 | 02120000141 | Гайка | |
| 8 | 26950012918 | Гайка | |
| 10 | 02120000619 | Шайба | |
| 11 | 02120000620 | Шайба | |
| 13 | 26950032183 | Фильтр топливный грубой очистки двигателя | |
| 14 | 26950010722 | Защита РВД пластиковая | |
| 15 | 26950031822 | Топливопровод | |
| 16 | 26950031823 | Топливопровод | |
| 17 | 26950031824 | Топливопровод | |
| 18 | ЭМ000008891 | Топливопровод | |
| 19 | 26950030466 | Адаптер | |
| 20 | 26950031336 | Адаптер | |
| 24 | 26950005813 | Двойной зажим в сборе |