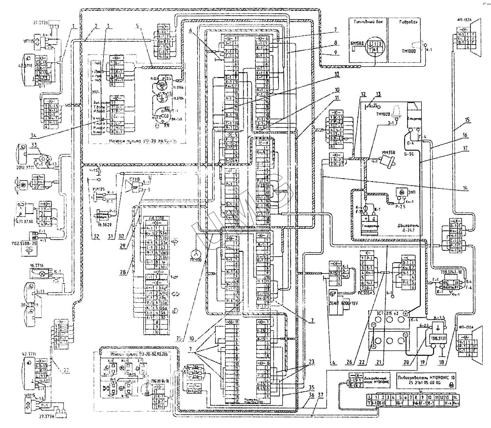
ЕК-12. Электрооборудование. Схема электрическая соединений
1
2
3
4
5
6
7
7
7
8
9
10
10
10
11
12
13
14
15
16
17
18
19
20
21
22
23
26
27
29
30
31
32
33
34
35
36
37
| Позиция на иллюстрации | Заводской номер детали | Название детали | |
|---|---|---|---|
| 1 | 312-20-88.20.010 | Жгут проводов | |
| 2 | 312-20-88.20.020 | Жгут проводов | |
| 3 | 312-04-88.10.210 | Жгут проводов | |
| 4 | 314-02-88.01.150 | Провод | |
| 5 | 312-20-88.20.040 | Жгут проводов | |
| 6 | 312-20-88.20.050 | Провод | |
| 7 | 312-20-88.20.060 | Провод | |
| 8 | 312-20-88.20.070 | Жгут проводов | |
| 9 | 312-20-88.20.080 | Жгут проводов | |
| 10 | 312-20-88.20.090 | Провод | |
| 11 | 312-20-88.20.100 | Жгут проводов | |
| 12 | 312-20-88.20.110 | Жгут проводов | |
| 13 | 312-20-88.20.290 | Провод | |
| 14 | 314-02-88.01.160 | Жгут проводов | |
| 15 | 312-20-88.20.120 | Жгут проводов | |
| 16 | 312-20-88.20.130 | Жгут проводов | |
| 17 | 312-20-88.20.170 | Провод | |
| 18 | 312-20-88.20.140 | Жгут проводов | |
| 19 | 312-20-88.20.270 | Провод | |
| 20 | 314-02-88.01.020 | Провод | |
| 21 | 312-20-88.20.150 | Жгут проводов | |
| 22 | 312-20-88.20.280 | Провод | |
| 23 | 312-20-88.20.210 | Жгут проводов | |
| 23 | 312-20-88.20.160 | Провод | |
| 24 | 312-20-88.20.170 | Провод | |
| 25 | 312-20-88.20.180 | Провод | |
| 26 | 312-20-88.20.190 | Жгут проводов | |
| 27 | 312-20-88.20.290 | Провод | |
| 29 | 312-20-88.20.220 | Жгут проводов | |
| 30 | 13.06.10.050 | Провод | |
| 31 | 312-20-88.20.230 | Жгут проводов | |
| 32 | 312-20-88.20.240 | Провод | |
| 33 | 312-20-88.20.250 | Провод | |
| 34 | 312-04-88.10.220 | Жгут проводов | |
| 35 | 312-20-88.20.030 | Жгут проводов | |
| 36 | 312-20-88.20.260 | Жгут проводов | |
| 37 | 225-10-88.12.040 | Жгут проводов |