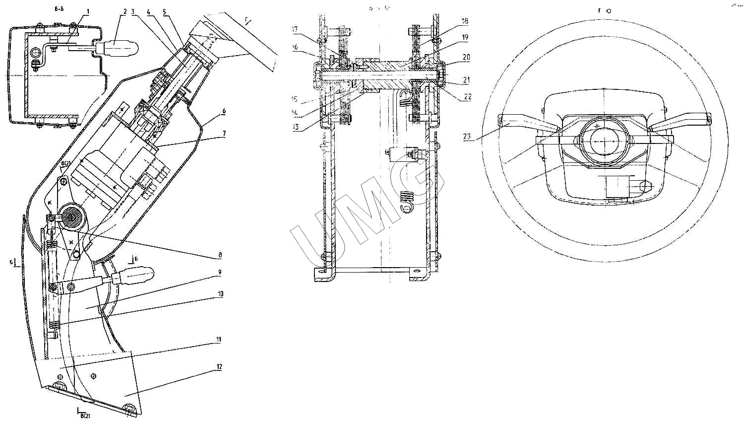
ЕК-12. Колонка рулевая
1
2
3
4
5
6
7
8
9
10
11
12
13
14
15
16
17
18
19
20
21
22
23
23
| Позиция на иллюстрации | Заводской номер детали | Название детали | |
|---|---|---|---|
| 1 | 312-20-86.90.160 | Рычаг | |
| 2 | 312-20-86.90.170 | Ручка | |
| 3 | 332-20-86.90.150 | Установка руля | |
| 4 | 312-20-86.90.102 | Облицовка | |
| 5 | 312-20-86.90.140 | Муфта | |
| 6 | 312-20-86.90.101 | Облицовка | |
| 7 | 312-20-86.90.120 | Вилка | |
| 8 | 005-04-02.05.160 | Рычаг | |
| 9 | 312-20-86.90.110 | Основание | |
| 10 | 005-04-02.05.112 | Пружина | |
| 11 | 312-20-86.90.103 | Облицовка | |
| 12 | 312-20-86.90.104 | Облицовка | |
| 13 | 005-04-02.05.107 | Гайка | |
| 14 | 005-04-02.05.106 | Муфта | |
| 15 | 005-04-02.05.002 | Пластана | |
| 16 | 005-04-02.05.011 | Фиксатор | |
| 17 | 005-04-02.05.108 | Штифт | |
| 18 | 005-04-02.05.111 | Пластина | |
| 19 | 005-04-02.05.170 | Каретка | |
| 20 | 005-04-02.05.105 | Втулка | |
| 21 | 005-04-02.05.004 | Шайба | |
| 22 | 005-04-02.05.109 | Ось | |
| 23 | 68.3709 | Переключатель | |
| 23 | 2108-3709305 | Переключатель |