E225NC. Гидроуправление в кабине. 220-70-42.21.000
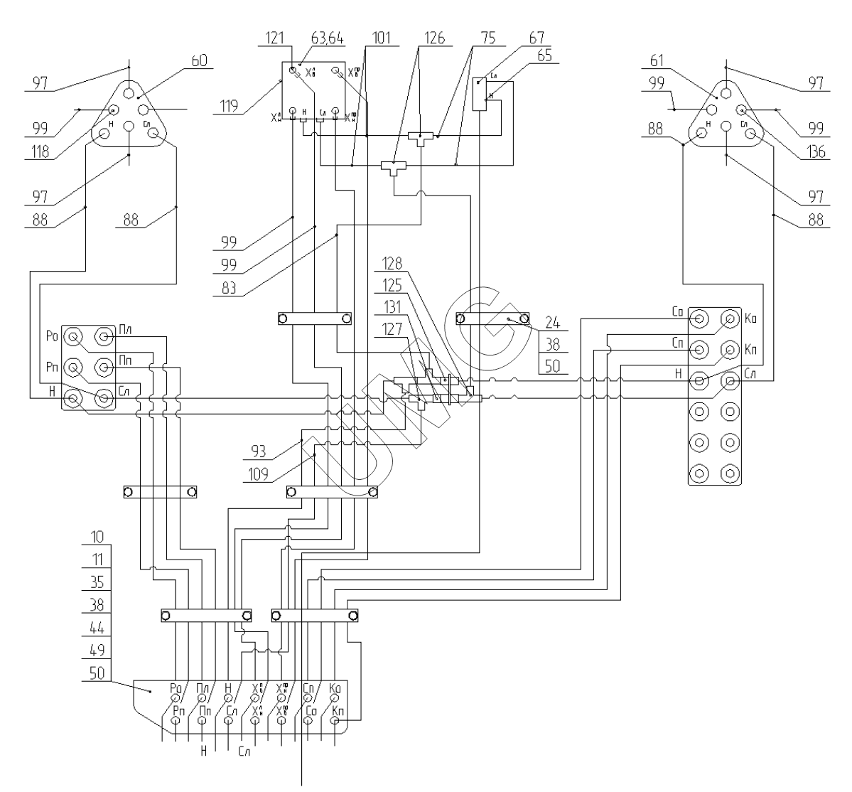
24
35
38
38
38
38
44
44
49
50
50
60
61
63
64
65
67
75
83
88
88
88
88
93
97
97
97
97
99
99
99
99
99
101
109
121
125
126
127
128
131
| Позиция на иллюстрации | Заводской номер детали | Название детали | |
|---|---|---|---|
| 1 | 272.03.05.00.050-20 | Рычаг | |
| 2 | 272.03.05.00.050-21 | Рычаг | |
| 3 | 170-70-42.21.020 | Планка прижимная | |
| 12 | 272.03.05.00.004 | Рукоятка | |
| 24 | 18.15.01.001 | Планка | |
| 35 | 02120000061 | Болт | |
| 38 | 02120000008 | Болт | |
| 38 | 02120000012 | Болт | |
| 40 | 26950000794 | Болт | |
| 44 | 02120000136 | Гайка | |
| 44 | 02120000136 | Гайка | |
| 46 | 02120000132 | Гайка | |
| 46 | 02120000132 | Гайка | |
| 47 | 02120000297 | Кольцо | |
| 48 | 26950033046 | Кольцо | |
| 49 | 02120000635 | Шайба | |
| 50 | 02120000626 | Шайба | |
| 51 | 02120000627 | Шайба | |
| 55 | 02120000625 | Шайба | |
| 60 | ЭМ000004390 | Блок управления | |
| 61 | ЭМ000004391 | Блок управления | |
| 63 | ЭМ000004209 | Комплект педальных кронштейнов | |
| 64 | ЭМ000004207 | Блок управления | |
| 65 | ЭМ000002548 | Переходное соединение | |
| 67 | ЭМ000002553 | Блок управления | |
| 75 | 02080000633 | РВД | |
| 79 | 02080000645 | РВД | |
| 83 | 02080000661 | РВД | |
| 84 | 26950034922 | РВД | |
| 88 | 26950002677 | РВД | |
| 93 | 26950002676 | РВД | |
| 97 | 02080000638 | РВД | |
| 99 | 02080000644 | РВД | |
| 100 | ЭМ000000168 | РВД | |
| 101 | 26950002828 | РВД | |
| 109 | ЭМ000003912 | РВД | |
| 121 | 02100000765 | Адаптер 100306.1 ct (G1/4"- М16) | |
| 122 | ЭМ000003657 | Адаптер | |
| 124 | 26950005497 | Адаптер | |
| 125 | 02100000791 | Адаптер | |
| 126 | 02100000771 | Адаптер | |
| 127 | ЭМ000002934 | Адаптер | |
| 128 | 26950013995 | Адаптер | |
| 131 | 26950005773 | Адаптер |