E330C Var 2. Тележка ходовая. 301.00.00.00.000-70
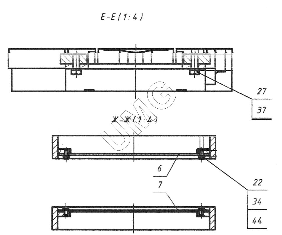
6
7
22
27
34
37
44
| Позиция на иллюстрации | Заводской номер детали | Название детали | |
|---|---|---|---|
| 000017121151 01 | 000017121151 01 | Механизм натяжения | |
| 3 | 271.03.00.00.000-20 | Гидрооборудование тележки | |
| 4 | 271.04.00.00.000-01 | Установка приводов хода | |
| 5 | 271.05.00.00.000-70 | Установка ОПРУ | |
| 6 | 271.05.00.00.010 | Крышка в сборе | |
| 7 | 271.05.00.00.010-10 | Крышка в сборе | |
| 8 | 271.00.00.01.000 | Ограничитель | |
| 9 | 301.05.01.00.000-70 | Рама тележки | |
| 10 | 181.51.00.010 | Подножка | |
| 13 | 271.05.00.00.020 | Люк в сборе | |
| 18 | 161.51.00.005 | Крышка | |
| 21 | 000026400125 01 | Болт | |
| 22 | 000026400226 01 | Болт | |
| 23 | 000026400329 01 | Болт | |
| 24 | 000026400540 01 | Болт | |
| 25 | 000026400576 01 | Болт | |
| 26 | 000026400582 01 | Болт | |
| 27 | 000026400649 01 | Болт | |
| 28 | 000026400684 01 | Болт | |
| 33 | 000026440205 01 | Шайба | |
| 34 | 000026440206 01 | Шайба | |
| 35 | 000026440207 01 | Шайба | |
| 36 | 000026440209 01 | Шайба | |
| 37 | 000026440257 01 | Шайба | |
| 39 | 000026440325 01 | Шайба | |
| 43 | 000026440608 01 | Шайба | |
| 44 | 000026440610 01 | Шайба | |
| 45 | 000026440612 01 | Шайба | |
| 51 | 000017121152 01 | Каток опорный | |
| 52 | 000017121153 01 | Каток поддерживающий | |
| 53 | 000017121154 01 | Колесо натяжное | |
| 56 | 000101800313 01 | Гусеничная лента |