Товары
Каталог запчастей
Личный кабинет
Авторизация
Портал для заказа запасных частей
В товарах
В каталоге запчастей
Внимание!!! Сайт только для тестирования.
Каталоги запчастей к технике UMG
ТВЭКС
E200NC
Установка насоса. 200-17-28.02.000
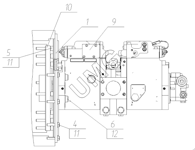
E200NC. Установка насоса. 200-17-28.02.000
zoom-in
zoom-out
enlarge
shrink
circle-right
circle-left
file-text2
info
cart
1
4
5
6
9
10
11
11
12
Позиция на иллюстрации
Заводской номер детали
Название детали
1
195-17-28.02.001
Диск проставочный
4
ЭМ000000610
Болт
5
26950015570
Винт
6
26950006110
Винт
9
ЭМ000006584
Основной гидравлический насос
10
ЭМ000005483
Муфта
11
26950017970
Шайба клиновая
12
26950016765
Шайба
Дополнительная информация
×
Название:
Номер:
Примечание:
АвтоКаталог-онлайн предоставлен
Компанией АвтоСофт