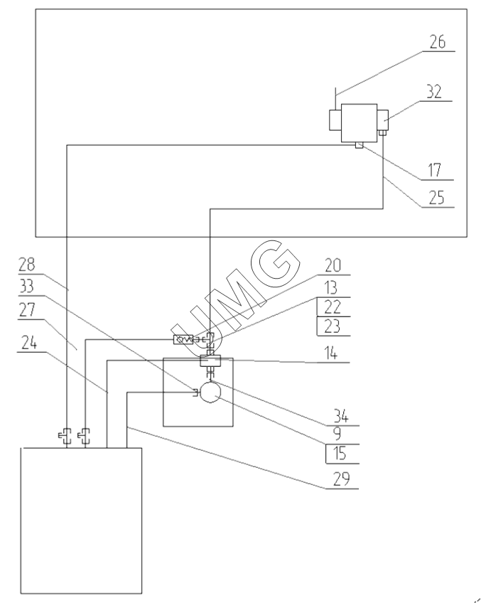
E160C CT. Трубопроводы блока радиаторов. 195-17-41.50.000
9
13
14
15
17
20
22
23
24
25
26
27
28
29
32
33
34
| Позиция на иллюстрации | Заводской номер детали | Название детали | |
|---|---|---|---|
| 26950013995 | 26950013995 | Адаптер | |
| 26950013796 | 26950013796 | Адаптер | |
| 9 | 26950012833 | Кольцо | |
| 13 | 26950001372 | Адаптер | |
| 14 | 26950034552 | Гидроблок | |
| 15 | ЭМ000002609 | Насос шестеренный | |
| 17 | 02100000788 | Адаптер | |
| 20 | 26950006772 | Адаптер | |
| 22 | 26950008375 | Адаптер | |
| 23 | 26950005773 | Адаптер | |
| 24 | 02080000610 | РВД | |
| 25 | ЭМ000000180 | РВД | |
| 26 | 02080000604 | РВД | |
| 27 | 02080000662 | РВД | |
| 28 | 26950002677 | РВД | |
| 29 | ЭМ000005900 | РВД | |
| 32 | 26950012892 | Фланец | |
| 33 | 26950019121 | Фланец | |
| 34 | 02190000762 | Фланец |