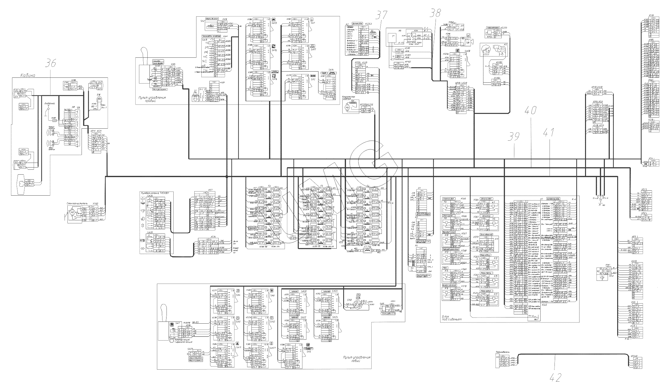
WX200. Электроуправление в кабине
36
37
38
39
40
41
42
| Позиция на иллюстрации | Заводской номер детали | Название детали | |
|---|---|---|---|
| 1 | 000923200072 01 | Реле | |
| 2 | 000923200068 01 | Реле | |
| 3 | 000100060002 01 | Контроллер | |
| 4 | 000923200192 01 | Реле | |
| 5 | 202030600001 00 | Кронштейн контроллера | |
| 6 | 000102600079 01 | Штекер | |
| 7 | 000920600317 01 | Переключатель кнопочный | |
| 8 | 000920600253 01 | Bыключатель | |
| 9 | 000920600252 01 | Bыключатель | |
| 10 | 000920600251 01 | Bыключатель фары | |
| 11 | 000920600267 01 | Переключатель | |
| 12 | 000920600266 01 | Переключатель | |
| 13 | 000920600268 01 | Переключатель | |
| 14 | 000920600206 01 | Заглушка | |
| 15 | 000923113706 01 | Выключатель блокировки сервоуправления | |
| 16 | M16х1.5-6H.5.016 | Гайка | |
| 17 | 000102600080 01 | Штекер | |
| 18 | 000923000029 01 | Предохранитель | |
| 19 | 000923000041 01 | Предохранитель | |
| 20 | 000923000028 01 | Предохранитель | |
| 21 | 000923000032 01 | Предохранитель | |
| 22 | 000923000016 01 | Блок предохранителей | |
| 23 | 000920600261 01 | Коннектор выключателя | |
| 24 | 000920600256 01 | Bыключатель | |
| 25 | 000920600254 01 | Bыключатель | |
| 26 | 000920600270 01 | Переключатель | |
| 27 | 000920600269 01 | Переключатель | |
| 28 | 000923113709 01 | Переключатель | |
| 29 | 000920604607 01 | Замок зажигания | |
| 30 | 000923113708 01 | Резистор оборотов двигателя | |
| 31 | 000924872305 01 | Фара | |
| 32 | 000924000066 01 | Плафон | |
| 33 | 000923000007 01 | Прикуриватель | |
| 34 | 000920600265 01 | Переключатель | |
| 35 | 000102601005 01 | Дисплей | |
| 36 | 000090000170 01 | Жгут проводов | |
| 37 | 000090000230 01 | Жгут проводов | |
| 38 | 000090000080 01 | Жгут проводов | |
| 39 | 000090000140 01 | Жгут проводов | |
| 40 | 000090000220 01 | Жгут проводов | |
| 41 | 000090000150 01 | Жгут проводов | |
| 42 | 000426501130 01 | Жгут проводов |