В товарах В каталоге запчастей

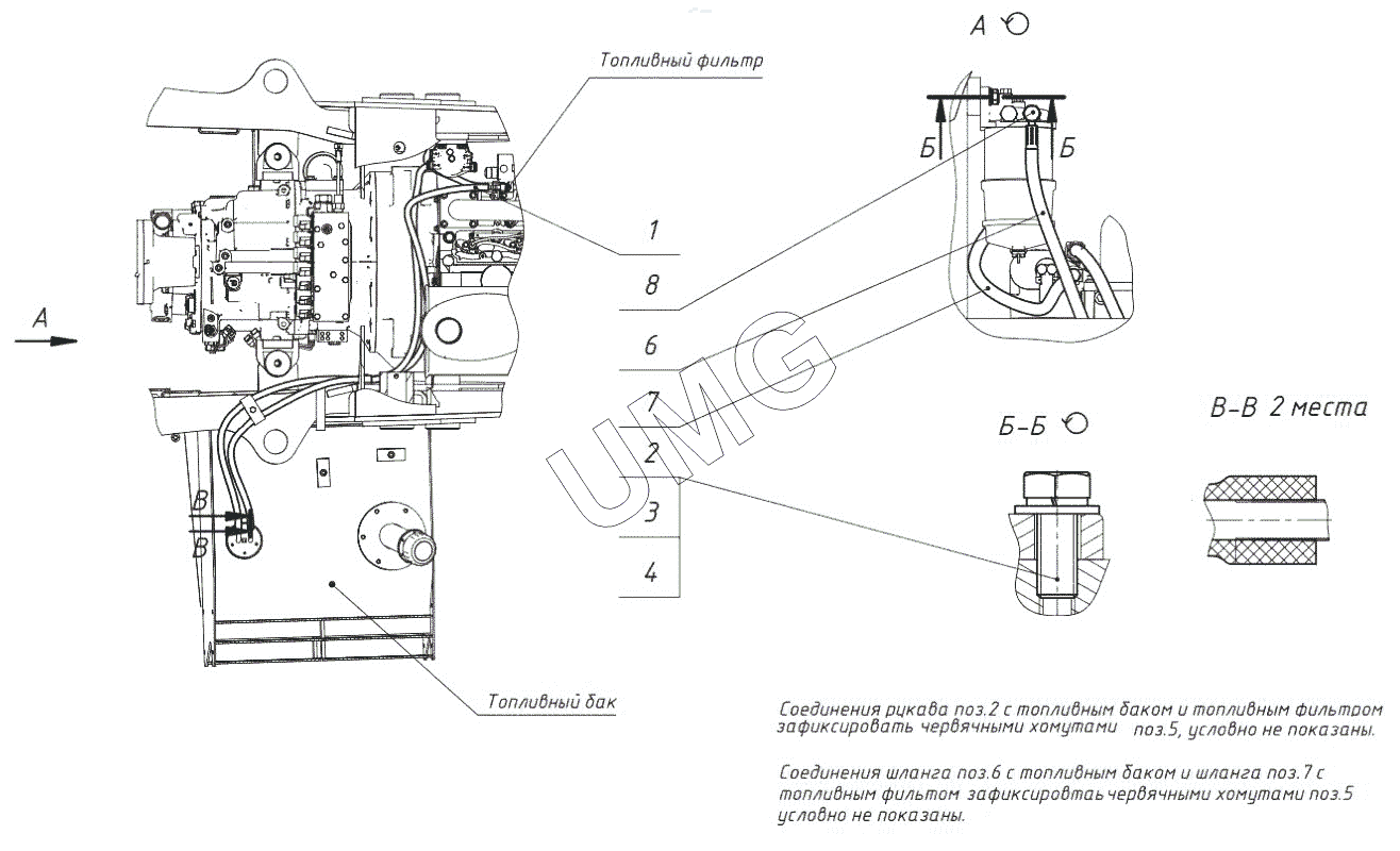
TLB 935. Топливная система

zoom-in zoom-out enlarge shrink circle-right circle-left file-text2 info cart
1
2
3
4
6
7
8
Позиция на иллюстрации Заводской номер детали Название детали
1 831170100002 00 Рукав
2 000026400226 01 Болт
3 000026440206 01 Шайба
4 000026440610 01 Шайба
5 000923820006 01 Хомут червячный
6 000815071021 03 Шланг бака к влагоотделителю
7 000815071022 03 Шланг влагоотлелителя к фильтру
8 000815071023 01 Болт
АвтоКаталог-онлайн предоставлен Компанией АвтоСофт