В товарах В каталоге запчастей

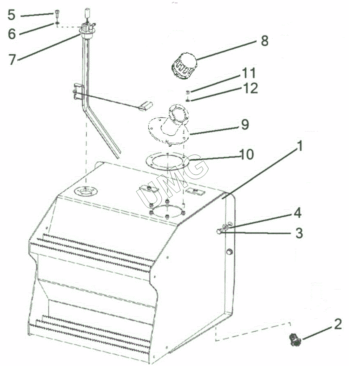
TLB 935. Топливный бак

zoom-in zoom-out enlarge shrink circle-right circle-left file-text2 info cart
1
2
3
4
5
6
7
8
9
10
11
12
Позиция на иллюстрации Заводской номер детали Название детали
1 815-00-07.05.100 Бак
2 000815070066 01 Заглушка уловитель
3 000026400322 01 Болт
4 000026440207 01 Шайба
5 000815071037 01 Винт
6 000815071050 01 Шайба
7 000815007004 01 Датчик уровня топлива
8 000913178104 01 Крышка фильтра
9 815-00-07.01.400 Горловина заливная топливного бака
10 000815007005 01 Прокладка заливной горловины
11 000026410608 01 Гайка
12 000026440205 01 Шайба
АвтоКаталог-онлайн предоставлен Компанией АвтоСофт