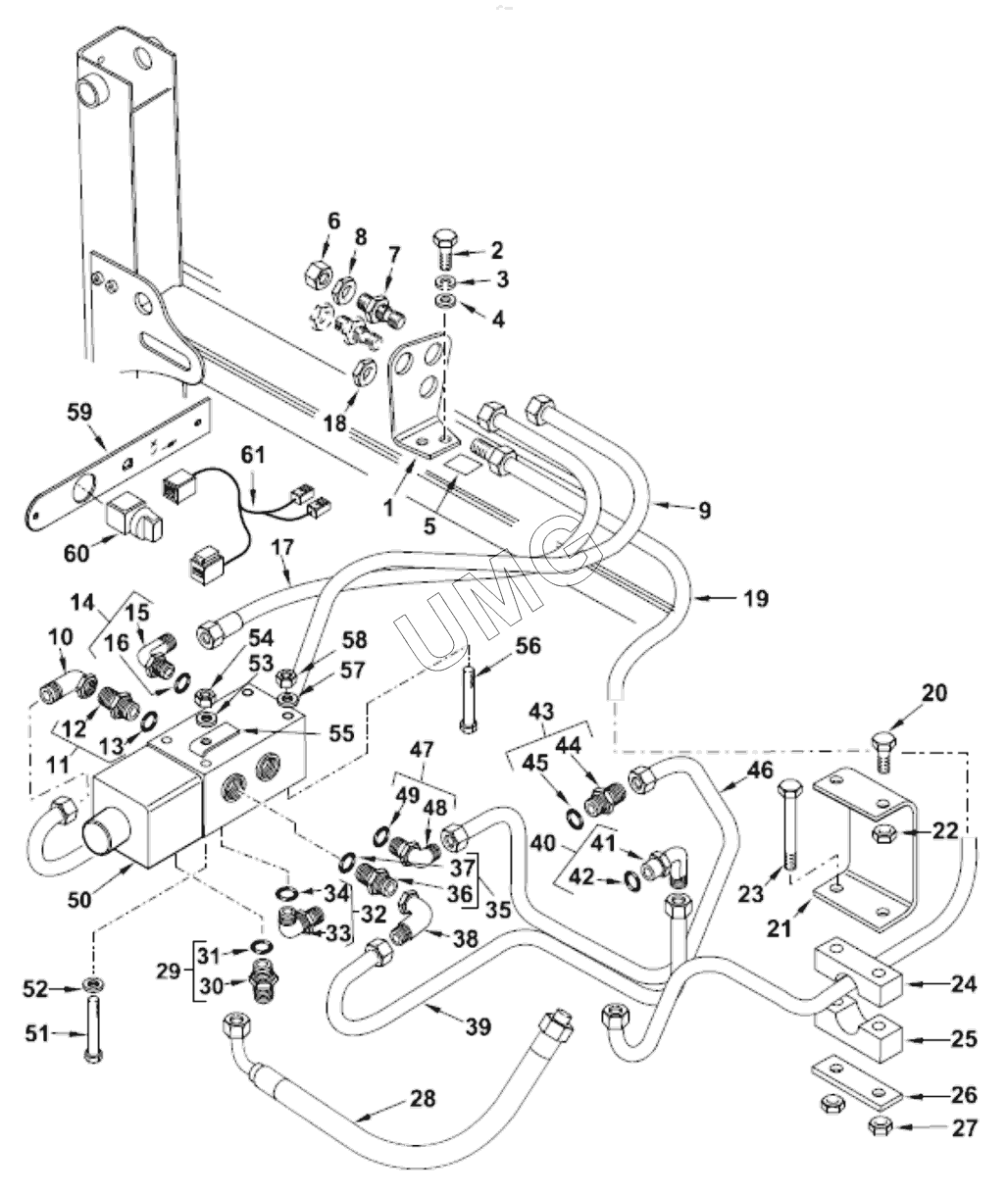
TLB 825. ДИВЕРТЕР ШАССИ ДОПОЛНИТЕЛЬНАЯ ГИДРАВЛИЧЕСКАЯ ЛИНИЯ
1
2
3
4
5
6
7
8
9
10
11
12
13
14
15
16
17
18
19
20
21
22
23
24
25
26
27
28
29
30
31
32
33
34
35
36
37
38
39
40
41
42
43
44
45
46
47
48
49
50
51
51
52
53
53
54
54
55
56
57
58
59
60
61
| Позиция на иллюстрации | Заводской номер детали | Название детали | |
|---|---|---|---|
| 1 | 6109873M1 | Кронштейн крепления труб | |
| 2 | 3009491X1 | Болт | |
| 3 | 339376X1 | Шайба | |
| 4 | 390734X1 | Шайба | |
| 5 | 6109756M1 | Наклейка | |
| 6 | 355782X1 | Заглушка | |
| 7 | 356269X1 | Штуцер-крепеж | |
| 8 | 355575X1 | Гайка | |
| 9 | 6109746M92 | Труба монтажная | |
| 10 | 366462X1 | Угольник | |
| 11 | 835057M91 | Переходник в сборе | |
| 12 | Штуцер | Штуцер по стандарту DKO | |
| 13 | 835025M1 | Уплотнение | |
| 14 | 358764X91 | Угольник | |
| 15 | Угольник | Угольник | |
| 16 | 835025M1 | Уплотнение | |
| 17 | 6107408M93 | Труба напорная гидромолота | |
| 18 | 355575X1 | Гайка | |
| 19 | 6109846M91 | Труба в сборе слива гидромолота | |
| 20 | 339666X1 | Винт | |
| 21 | 6109926M1 | Кронштейн прижима трубы | |
| 22 | 1441500X1 | Контргайка нейлоновой вставкой | |
| 23 | 1440922X1 | Болт | |
| 24 | 3520340M3 | Хомут трубы | |
| 25 | 6102788M1 | Прижим трубы | |
| 26 | 1462583M1 | Зажим пластины | |
| 27 | 1441500X1 | Контргайка нейлоновой вставкой | |
| 28 | 6108513M91 | Рукав в сборе | |
| 29 | 365715X91 | Штуцер | |
| 30 | Штуцер | Штуцер по стандарту DKO | |
| 31 | 835025M1 | Уплотнение | |
| 32 | 368113X91 | Штуцер | |
| 33 | Штуцер | Штуцер по стандарту DKO | |
| 34 | 835025M1 | Уплотнение | |
| 35 | 835057M91 | Переходник в сборе | |
| 36 | Штуцер | Штуцер по стандарту DKO | |
| 37 | 835025M1 | Уплотнение | |
| 38 | 366462X1 | Угольник | |
| 39 | 6109622M91 | Труба гидромолота | |
| 40 | 358764X91 | Угольник | |
| 41 | ELBOW | Угольник | |
| 42 | 835025M1 | Уплотнение | |
| 43 | 835057M91 | Переходник в сборе | |
| 44 | CONNECTOR | Кольцевое уплотнение | |
| 45 | 835025M1 | Уплотнение | |
| 46 | 6109620M91 | Труба гидромолота | |
| 47 | 358764X91 | Угольник | |
| 48 | ELBOW | Угольник | |
| 49 | 835025M1 | Уплотнение | |
| 50 | 6108292M91 | Клапан-Дивертор | |
| 51 | 3019894X1 | Болт | |
| 51 | 3004715X1 | Винт | |
| 52 | 3019571X1 | Шайба | |
| 53 | 390972X1 | Шайба | |
| 53 | 390971X1 | Шайба | |
| 54 | 394367X1 | Гайка | |
| 54 | 1441500X1 | Контргайка нейлоновой вставкой | |
| 55 | 6108445M1 | Пластина | |
| 56 | 3001758X1 | Болт | |
| 57 | 390971X1 | Шайба | |
| 58 | 1441500X1 | Контргайка нейлоновой вставкой | |
| 59 | 6107176M2 | Пластина переключателя гидромолота | |
| 60 | 6107165M91 | Переключатель гидромолота | |
| 61 | 6107467M92 | Жгут включения гидромолота |