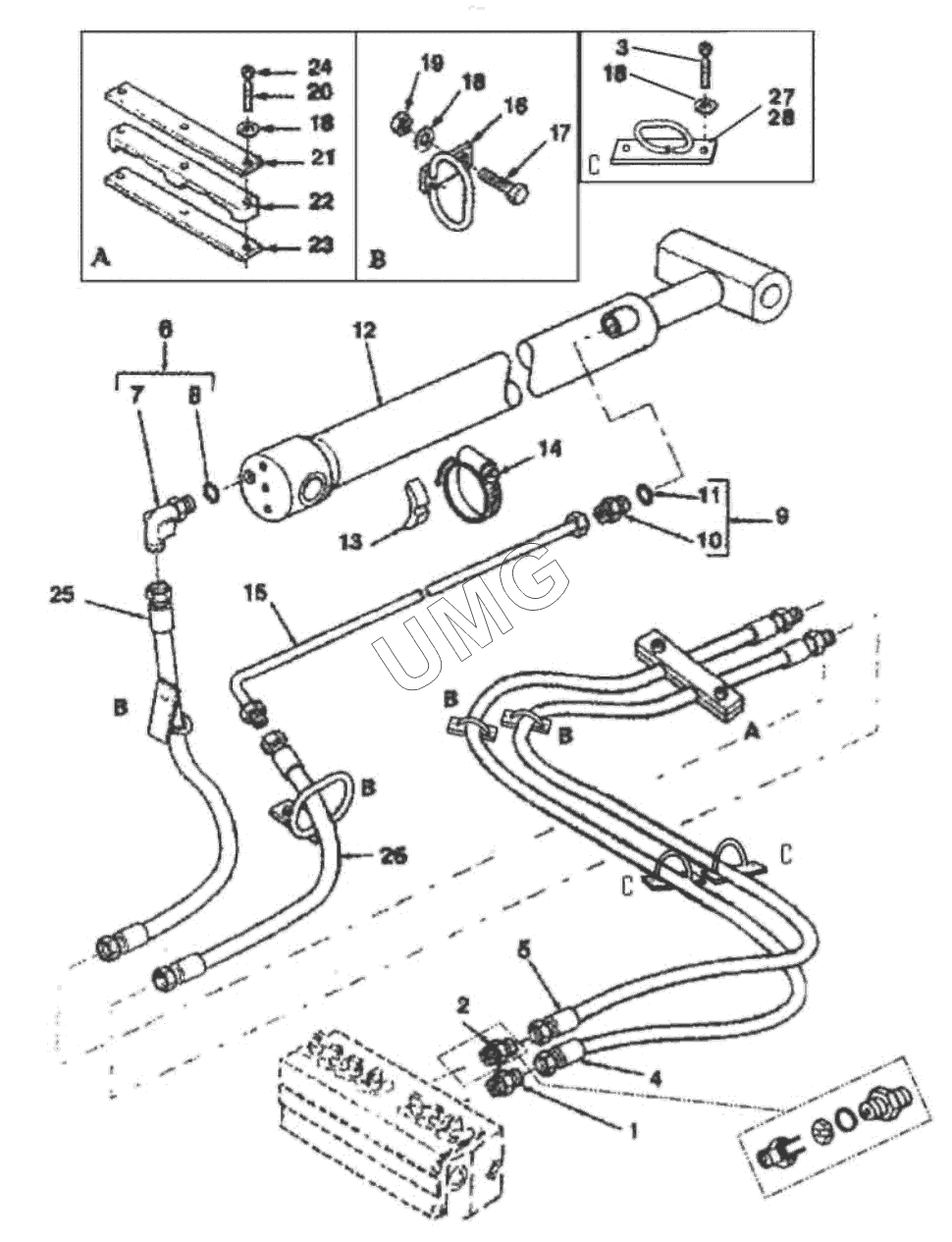
TLB 825. ПРИВОД РУКОЯТИ ГИДРООБОРУДОВАНИЕ ЭКСКАВАТОРНОЕ
1
2
3
4
5
6
7
8
9
10
11
12
13
14
15
16
17
18
18
18
19
20
21
22
23
24
25
26
27
28
| Позиция на иллюстрации | Заводской номер детали | Название детали | |
|---|---|---|---|
| 1 | 1H0183 | Переходник в сборе | |
| 2 | 1H0193 | Ограничитель в сборе | |
| 3 | 339124X1 | Болт | |
| 4 | 1H0450 | Рукав в сборе | |
| 5 | 1H0451 | Рукав в сборе | |
| 6 | 6101624M91 | Угольник в сборе | |
| 7 | Угольник | Угольник | |
| 8 | 835024M1 | Уплотнение | |
| 9 | 835013M91 | Муфта в сборе | |
| 10 | 358735X1 | Муфта | |
| 11 | 835024M1 | Уплотнение | |
| 12 | 1H0014 | Цилиндр рукояти стрелы, серый | |
| 13 | L79937 | Дистанционная втулка | |
| 14 | 3517733M91 | Хомут червячный | |
| 15 | 6100976M92 | Трубка цилиндра рукояти стрелы в сборе | |
| 16 | 815-10-20.80.010 | Хомут крепления рукавов | |
| 17 | 339761X1 | Винт | |
| 18 | 390972X1 | Шайба | |
| 19 | 394367X1 | Гайка | |
| 20 | 6108049M1 | Шпилька | |
| 21 | 815-40-70.00.003 | Пластина | |
| 22 | 6102122M1 | Скоба прижимная | |
| 23 | 6102128M1 | Прокладка | |
| 24 | 394367X1 | Гайка | |
| 25 | 6101738M91 | Шланг поршня и цилиндр рукояти в сборе | |
| 26 | 6101737M91 | Шланг штока и цилиндр рукояти в сборе | |
| 27 | 1B0318 | Опора в сборе | |
| 28 | 1B0324 | Опора в сборе |