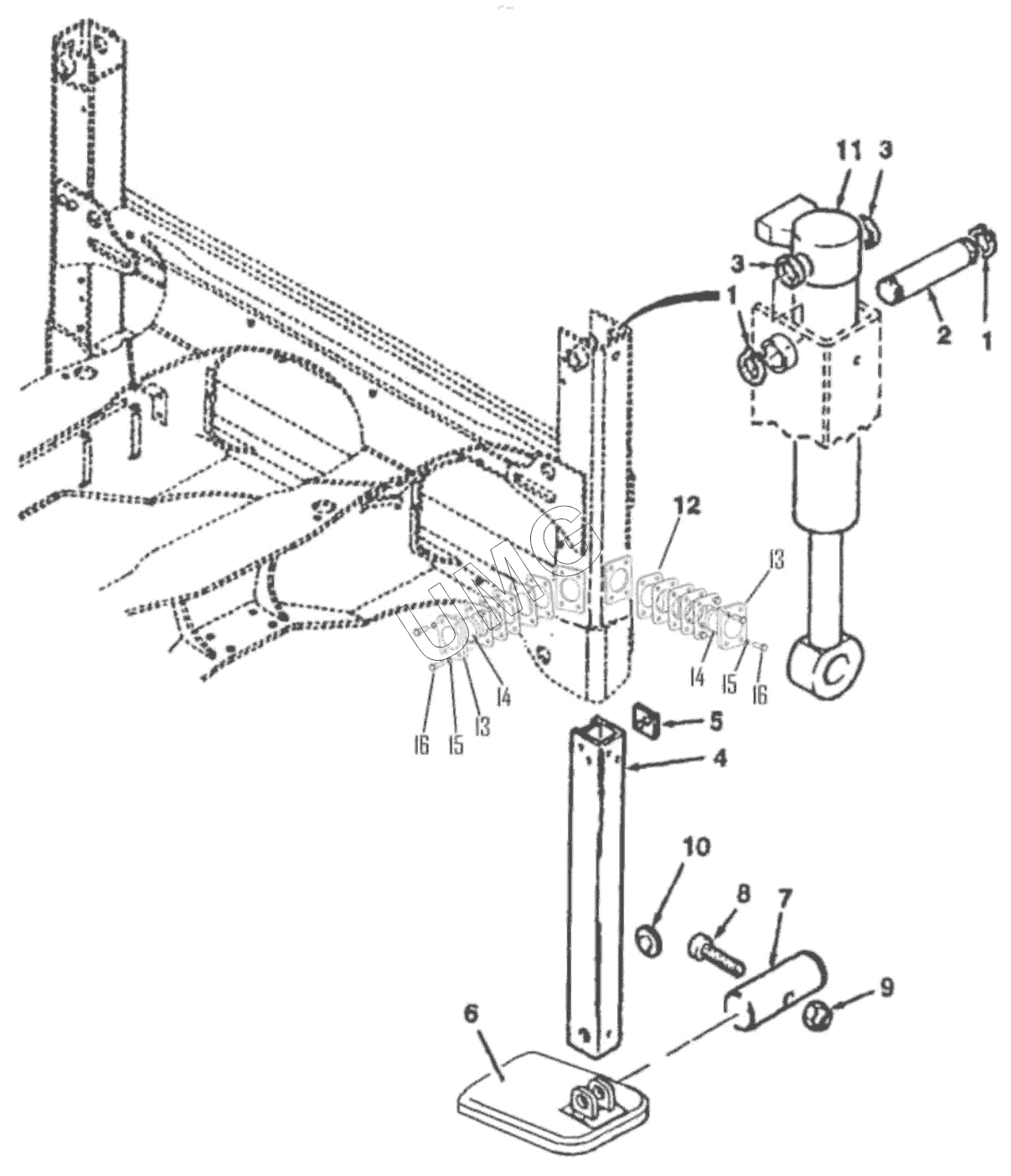
TLB 825. СТАБИЛИЗАТОРЫ ШАССИ
1
1
2
3
3
4
5
5
5
5
5
5
5
6
7
8
9
10
10
10
10
10
10
10
11
12
13
13
14
14
15
15
16
16
| Позиция на иллюстрации | Заводской номер детали | Название детали | |
|---|---|---|---|
| 1 | 1440478X1 | Кольцо-защелка | |
| 2 | 3521289M3 | Палец | |
| 3 | 3521279M2 | Втулка | |
| 4 | 6112163M91 | Подвижная часть стабилизатора | |
| 5 | 3516684M2 | Колодка | |
| 5 | 3521199M3 | Упорная пластина | |
| 5 | 3517077M1 | Упорная пластина | |
| 5 | 3518965M1 | Упорная пластина | |
| 5 | 3518936M1 | Упорная пластина | |
| 5 | 6108416M1 | Колодка | |
| 5 | 6108417M1 | Колодка | |
| 6 | 1B0327 | Пята стабилизатора | |
| 7 | 3522879M2 | Палец | |
| 8 | 1442169X1 | Винт | |
| 9 | 1440329X1 | Гайка | |
| 10 | 3519712M1 | Колодка | |
| 10 | 3519713M1 | Упорная пластина | |
| 10 | 3519714M1 | Упорная пластина | |
| 10 | 3519715M1 | Упорная пластина | |
| 10 | 3519716M1 | Упорная пластина | |
| 10 | 6108418M1 | Колодка | |
| 10 | 6108419M1 | Колодка | |
| 11 | 1H0020 | Цилиндр в сборе | |
| 12 | 1TB0030M1 | Прокладка | |
| 13 | 1TB0017M91 | Крышка плоская | |
| 14 | 6112168M1 | Накладка упорная | |
| 15 | 339369X1 | Шайба | |
| 16 | 6007798M1 | Болт |