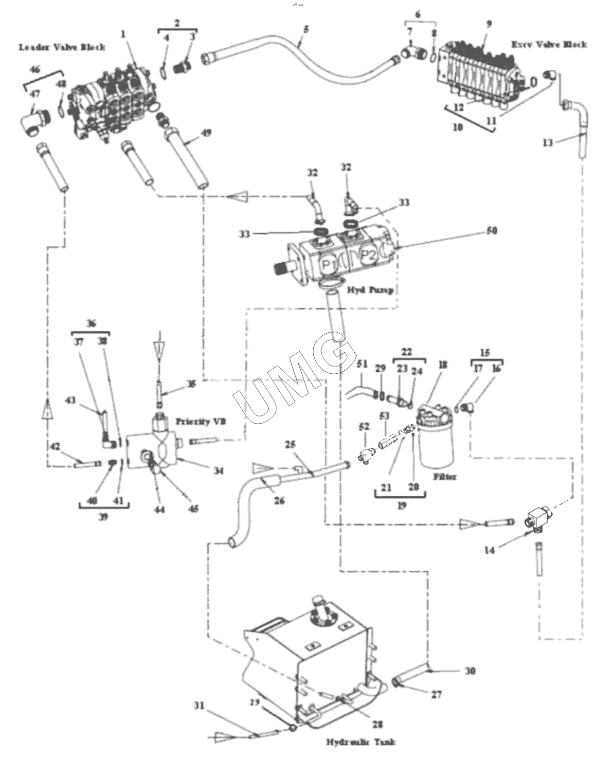
TLB 825. КОМПОНОВКА ГИДРООБОРУДОВАНИЯ
1
2
3
4
5
6
7
8
9
10
11
12
13
14
15
16
17
18
19
20
21
22
23
24
25
26
27
28
29
29
30
31
32
32
33
33
34
35
36
37
38
39
40
41
42
43
44
45
46
47
48
49
50
51
52
53
| Позиция на иллюстрации | Заводской номер детали | Название детали | |
|---|---|---|---|
| 1 | 1H0184 | 3-золотниковый гидрораспределитель | |
| 2 | 1H0209 | Адаптер в сборе | |
| 3 | 1H0208 | Переходник | |
| 4 | 835026M1 | Кольцевое уплотнение | |
| 5 | 1H0246 | Шланг высокого давления | |
| 6 | 1H0309 | Колено в сборе | |
| 7 | 1H0310 | Адаптер | |
| 8 | 835026M1 | Кольцевое уплотнение | |
| 9 | 1H0469 | 7-золотниковый гидрораспределитель экскаваторного оборудования | |
| 10 | 358766X91 | Угольник 90 | |
| 11 | 358757X1 | Угольник | |
| 12 | 835026M1 | Кольцевое уплотнение | |
| 13 | 1H0097 | Шланг обратного слива экскаваторного оборудования | |
| 14 | 371674X1 | Муфта шарнира | |
| 15 | 358766X91 | Угольник 90 | |
| 16 | 358757X1 | Угольник | |
| 17 | 835026M1 | Кольцевое уплотнение | |
| 18 | 1H0218 | Оголовок фильтра гидравлического | |
| 19 | 6109845M91 | Адаптер в сборе | |
| 20 | Штуцер | Штуцер по стандарту DKO | |
| 21 | O-RING | Кольцо | |
| 22 | 6107562M92 | Переходник | |
| 23 | Адаптер | Адаптер | |
| 24 | 835024M1 | Уплотнение | |
| 25 | 1H0107 | Трубка обратного слива в бак в сборе | |
| 26 | 6112871M1 | Шланг сливной | |
| 27 | 3517413M1 | Хомут червячный | |
| 28 | 3517738M1 | Хомут червячный | |
| 29 | 3517410M1 | Хомут | |
| 30 | 6111531M1 | Шланг всасывания | |
| 31 | 1TA0035M1 | Шланг гидравлический нижний | |
| 32 | 6112853M91 | Шланг напорный | |
| 33 | 359300X1 | Уплотнение | |
| 34 | 1H0448 | Клапан приоритетный | |
| 35 | 1H0062-20 | Рукав в сборе | |
| 36 | 358762X91 | Угольник | |
| 37 | 358753X1 | Угольник | |
| 38 | 831497M1 | Кольцо | |
| 39 | 3517847M91 | Соединительная муфта в сборе | |
| 40 | 3517854M1 | Соединительная муфта | |
| 41 | 835024M1 | Уплотнение | |
| 42 | 6112897M91 | Шланг в сборе | |
| 43 | 1H0099 | Рукав в сборе | |
| 44 | 339369X1 | Шайба | |
| 45 | 339368X1 | Болт | |
| 46 | 1H0267 | Угольник в сборе | |
| 47 | 1H0266 | Угольник | |
| 48 | 835026M1 | Кольцевое уплотнение | |
| 49 | 1H0200 | Шланг в сборе | |
| 50 | 6111152M92 | Насос в сборе | |
| 51 | 1H0030 | Шланг | |
| 52 | 358748X91 | Тройник | |
| 53 | T103247 | Клапан фильтра |