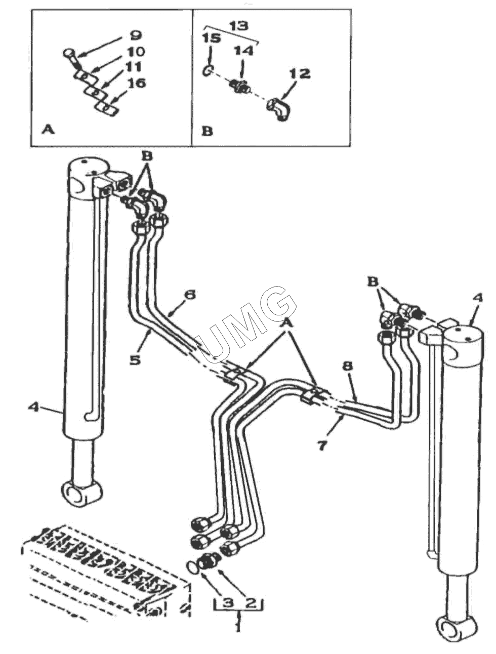
TLB 825. STABILIZERS
1
2
3
4
4
5
6
7
8
9
10
11
12
13
14
15
16
| Позиция на иллюстрации | Заводской номер детали | Название детали | |
|---|---|---|---|
| 1 | 1H0196 | Переходник в сборе | |
| 2 | 1H0195 | Переходник | |
| 3 | 835025M1 | Уплотнение | |
| 4 | 1H0020 | Цилиндр в сборе | |
| 5 | 6109734M91 | Рукав в сборе | |
| 6 | 6109531M91 | Рукав в сборе | |
| 7 | 6109733M91 | Рукав в сборе | |
| 8 | 6109563M91 | Рукав в сборе | |
| 9 | 339761X1 | Винт | |
| 10 | 3518910M1 | Скоба прижимная | |
| 11 | 1458385M1 | Резиновая подушка | |
| 12 | 365233X1 | Поворотный угольник | |
| 13 | 832159M91 | Переходник в сборе | |
| 14 | 832158M1 | Переходник | |
| 15 | 835024M1 | Уплотнение | |
| 16 | 3518923M1 | Втулка |