Товары
Каталог запчастей
Личный кабинет
Авторизация
Портал для заказа запасных частей
В товарах
В каталоге запчастей
Внимание!!! Сайт только для тестирования.
Каталоги запчастей к технике UMG
ТВЭКС
TLB 825
Задний мост
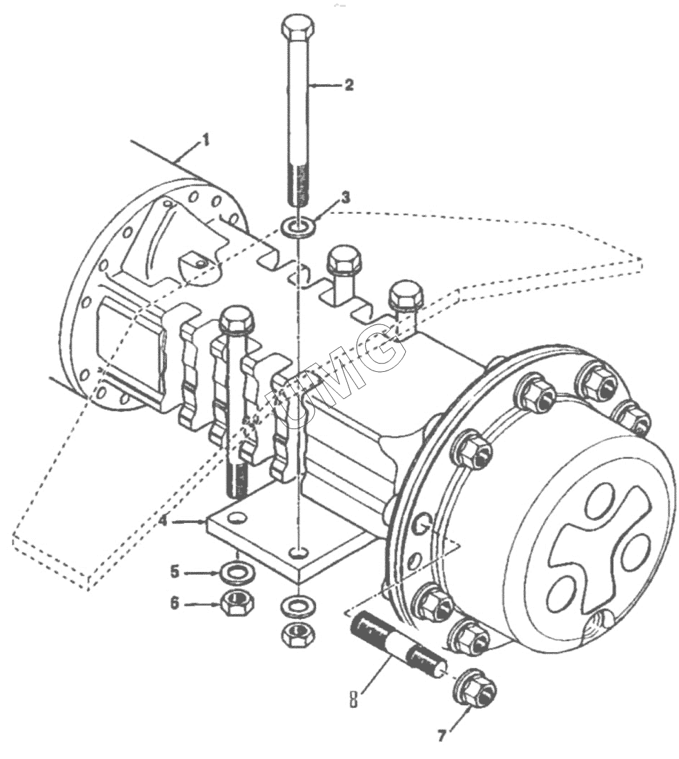
TLB 825. Задний мост
zoom-in
zoom-out
enlarge
shrink
circle-right
circle-left
file-text2
info
cart
1
2
3
4
5
6
7
8
8
Позиция на иллюстрации
Заводской номер детали
Название детали
1
1K0160
Задний мост
2
6106980M2
Болт
3
385365X1
Шайба
4
6106096M1
Прижимная пластина
5
385365X1
Шайба
6
3522225M3
Гайка
7
6106829M91
Гайка
8
6190302M1
Шпилька
8
1K0048
Шпилька
Дополнительная информация
×
Название:
Номер:
Примечание:
АвтоКаталог-онлайн предоставлен
Компанией АвтоСофт