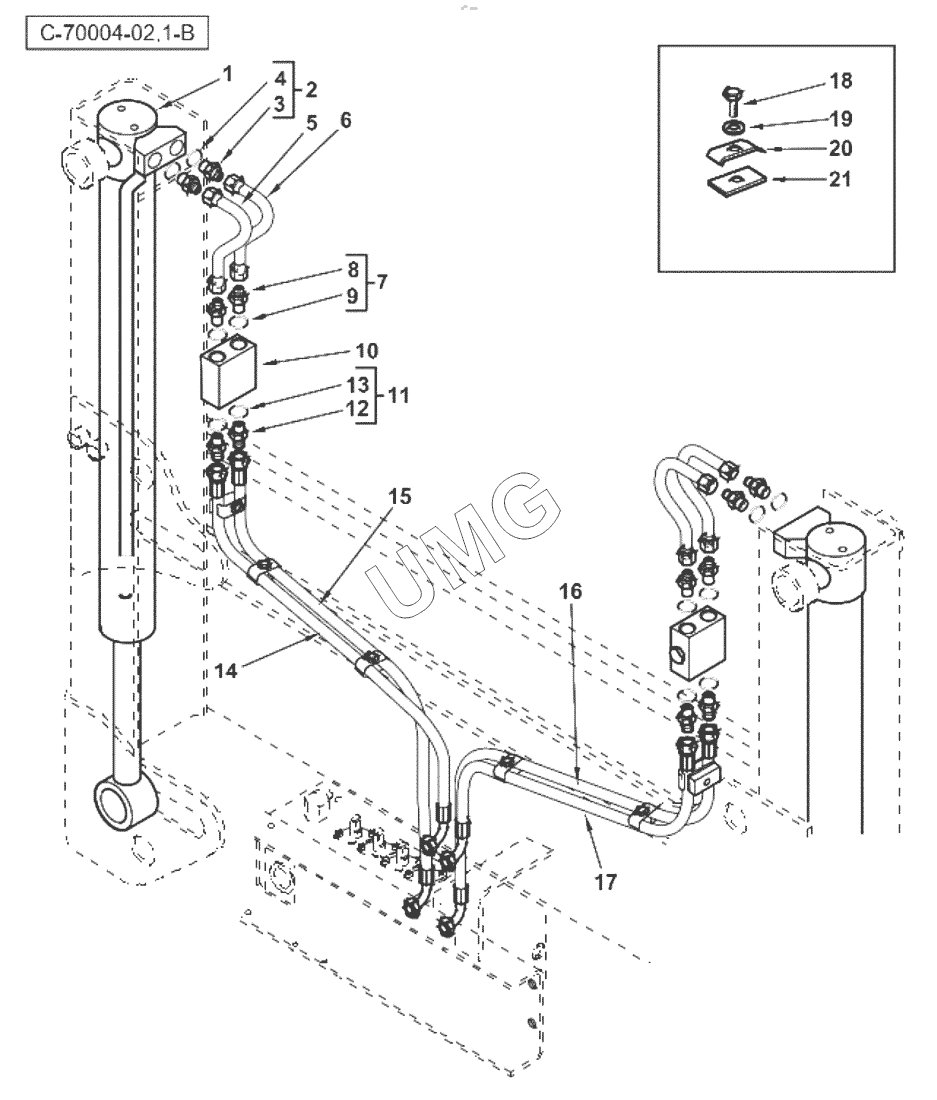
TLB 825. Стабилизаторы, замки гидрооборудования экскаваторного
1
2
3
4
5
6
7
8
9
10
11
12
13
14
15
16
17
18
19
20
21
| Позиция на иллюстрации | Заводской номер детали | Название детали | |
|---|---|---|---|
| 1 | 1H0020 | Цилиндр в сборе | |
| 2 | 832159M91 | Переходник в сборе | |
| 3 | 832158M1 | Переходник | |
| 4 | 835024M1 | Уплотнение | |
| 5 | 6111159M91 | Трубопровод замка | |
| 6 | 6111158M91 | Трубопровод замка | |
| 7 | 3519179M91 | Штуцер в сборе | |
| 8 | 3519901M1 | Штуцер | |
| 9 | 831452M1 | Уплотнение | |
| 10 | 6106226M91 | Клапан-гидрозамок | |
| 11 | 3519179M91 | Штуцер в сборе | |
| 12 | 3519901M1 | Штуцер | |
| 13 | 831452M1 | Уплотнение | |
| 14 | 6109762M91 | Рукав в сборе | |
| 15 | 6109563M91 | Рукав в сборе | |
| 16 | 6109564M91 | Рукав в сборе | |
| 17 | 6109763M91 | Рукав в сборе | |
| 18 | 339761X1 | Винт | |
| 19 | 390972X1 | Шайба | |
| 20 | 3518910M1 | Скоба прижимная | |
| 21 | 1458385M1 | Резиновая подушка |