В товарах В каталоге запчастей

TLB 825. Кабель батареи

zoom-in zoom-out enlarge shrink circle-right circle-left file-text2 info cart
1
2
3
4
5
6
7
8
9
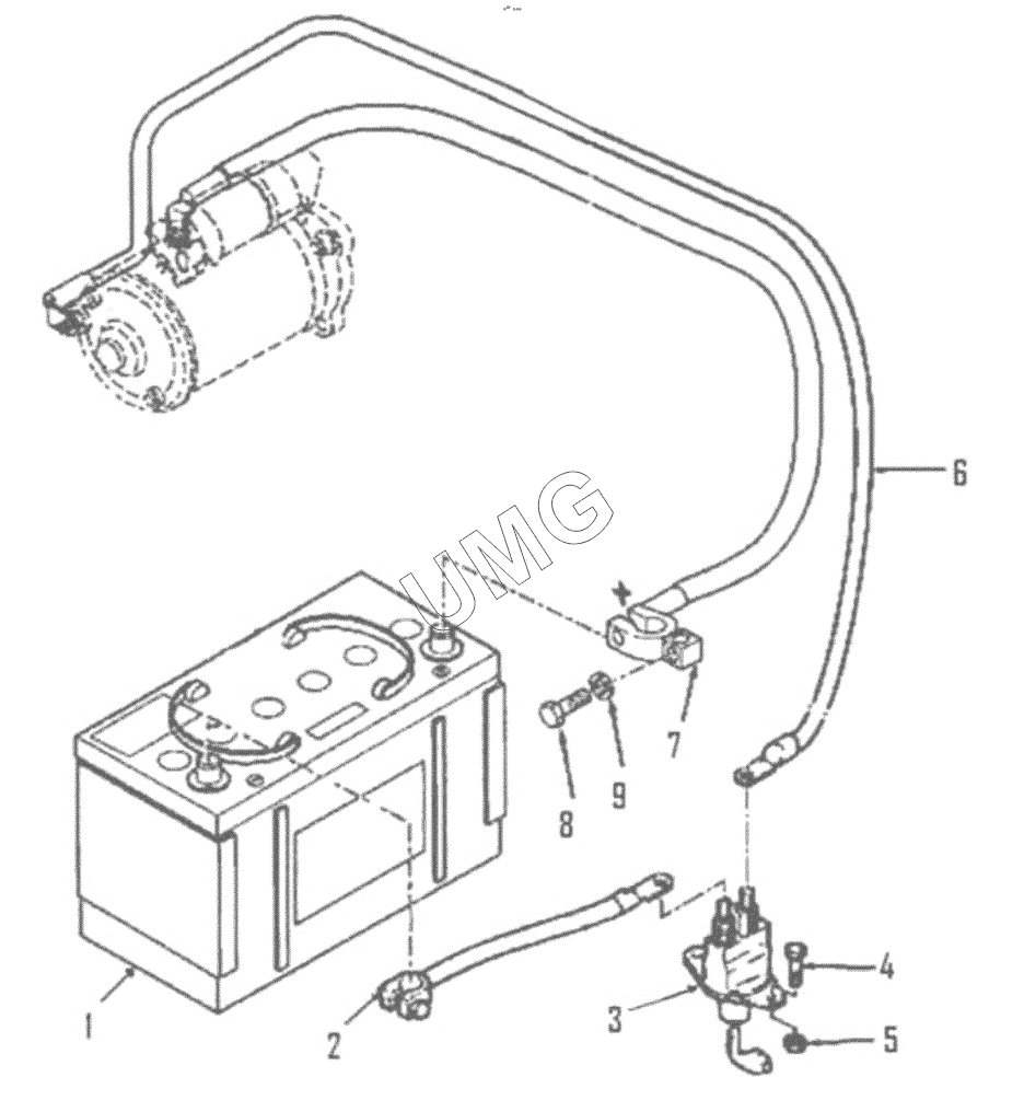
Позиция на иллюстрации Заводской номер детали Название детали
1 6СТ-132АП(З) Аккумулятор
2 6102118M91 Отрицательный провод аккумуляторной батареи
3 1D0213 Размыкатель массы
4 339666X1 Винт
5 1441500X1 Контргайка нейлоновой вставкой
6 1TD0015M91 Отрицательный провод аккумуляторной батареи
7 1TD0014M91 Положительный провод аккумуляторной батареи
8 339124X1 Болт
9 390972X1 Шайба
10 724497M1 Жгут
АвтоКаталог-онлайн предоставлен Компанией АвтоСофт