В товарах В каталоге запчастей

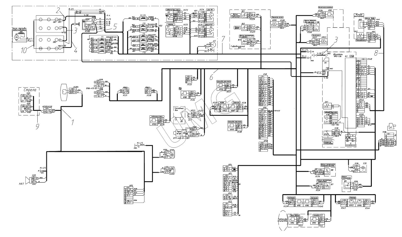
E225NLC. Жгуты поворотной платформы

zoom-in zoom-out enlarge shrink circle-right circle-left file-text2 info cart
1
2
3
3
4
5
6
7
8
9
10
Позиция на иллюстрации Заводской номер детали Название детали
1 000090100010 01 Жгут проводов
2 000090000020 01 Провод
3 000090000030 01 Провод
4 000090000040 01 Провод
5 000090000050 01 Провод
6 000090000070 01 Жгут проводов
7 000090000210 01 Жгут проводов
8 000090000200 01 Жгут проводов
9 000090000180 01 Жгут проводов
10 000090100040 01 Жгут проводов
АвтоКаталог-онлайн предоставлен Компанией АвтоСофт