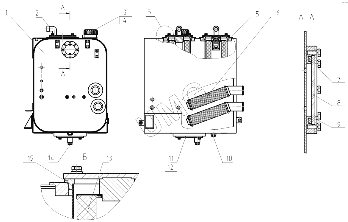
ЕК-12 (2013). 312-04-80.09.000-10 Бак гидравлический (для модификаций с гидравликой ПСМ)
1
2
3
4
5
6
7
8
9
10
11
12
13
14
15
| Позиция на иллюстрации | Заводской номер детали | Название детали | |
|---|---|---|---|
| 1 | 312-04-80.09.100-10 | Бак | |
| 2 | 312-04-80.09.300 | Крышка | |
| 3 | 314-02-80.08.400 | Сапун | |
| 4 | ЭО-3322А.14.02.000 | Фильтр | |
| 5 | 005-04-80.01.020 | Фильтр | |
| 6 | SF0180S125W/-B0.2 | Фильтр всасывающий | |
| 7 | 090-100-58-2-3 | Кольцо | |
| 8 | ЭО-3322А.04.08.013 | Стекло смотровое | |
| 9 | ЭО-3322А.04.08.014 | Крышка | |
| 10 | 14325301М22х1.5 | Пробка коническая | |
| 11 | 312-04-80.09.400 | Крышка | |
| 12 | 210-220-58-2-3 | Кольцо | |
| 13 | 312-04-80.09.500 | Фильтр | |
| 14 | ЭО-3322А.04.08.003 | Штуцер | |
| 15 | 180-185-36-2-3 | Кольцо |