ЕК-12 (2013). 314-02-72.51.000-01 Коробка перемены передач для модификаций с опорой-отвалом и аутригерами, 314-02-72.51.000 с опорой-отвалом и стабилизаторами
1
2
2
2а
3
3
3
4
4
5
5
6
7
7
8
9
10
10
10
11
12
12
12
13
13
13
14
14
14
15
16
17
18
19
20
20
21
22
23
24
25
25
25
26
27
28
28
29
30
31
32
33
33
34
35
36
37
38
38
39
40
41
42
43
44
45
45
46
47
48
49
50
50
51
52
53
54
56
57
58
59
60
61
61
62
91
91
91
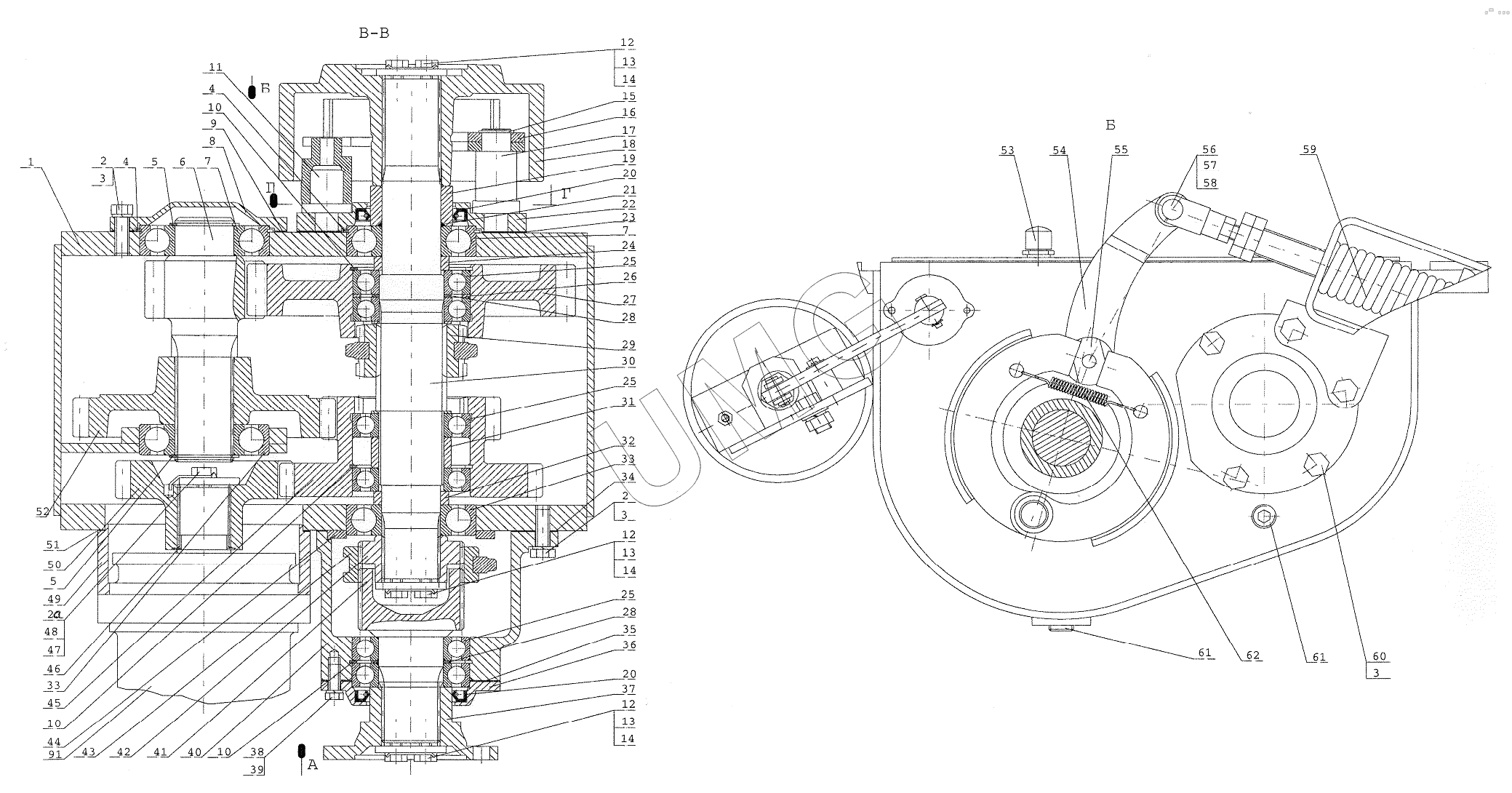
| Позиция на иллюстрации | Заводской номер детали | Название детали | |
|---|---|---|---|
| 1 | 314-02-72.51.120 | Корпус | |
| 2 | М12х35.58.019 | Болт | |
| 2а | М12-6gх35.58.016 | Болт | |
| 3 | 12.65Г | Шайба | |
| 4 | ЭО-3322Б.70.20.043 | Кольцо | |
| 5 | В50 | Кольцо | |
| 6 | ЕК-14А.72.51.041 | Вал-шестерня | |
| 7 | 50310 | Подшипник | |
| 8 | ЕК-14А.72.51.031 | Крышка | |
| 9 | ЭО-3322Б.70.20.028 | Прокладка | |
| 10 | 314-02-72.51.056 | Кольцо стопорное | |
| 11 | ЭО-3323.20.50.021 | Палец | |
| 12 | М10х30.58.019 | Болт | |
| 13 | ЭО-3322Б.70.20.017 | Шайба | |
| 14 | Э-302-3-1100-10А | Крышка | |
| 15 | В25 | Кольцо | |
| 16 | ЭО-3322Б.70.20.200 | Колодка тормозная | |
| 17 | ЭО-3323.20.50.011 | Палец | |
| 18 | ЭО-3322Б.70.20.023 | Шкив тормозной | |
| 19 | ЭО-3322Б.70.20.022 | Втулка | |
| 20 | 2.1-70х95-1 | Манжета | |
| 21 | 049-055-36-2-2 | Кольцо | |
| 22 | ЭО-3322Б.70.20.020 | Крышка | |
| 23 | ЭО-3322Б.70.20.029 | Прокладка | |
| 24 | ЕК-14А.72.51.010 | Втулка | |
| 25 | 211 | Подшипник | |
| 26 | ЕК-14А.72.51.011 | Кольцо | |
| 27 | ЕК-14А.72.51.040 | Шестерня | |
| 28 | ЭО-3322Б.70.20.013 | Кольцо | |
| 29 | ЕК-14А.72.51.012 | Полумуфта | |
| 30 | ЕК-14А.72.51.046 | Вал | |
| 31 | ЕК-14А.72.51.014 | Втулка | |
| 32 | 306-01-52.001 | Втулка | |
| 33 | 310 | Подшипник | |
| 34 | 314-02-72.51.052 | Прокладка | |
| 35 | ЕК-16.72.50.012 | Прокладка | |
| 36 | ЕК-16.72.50.011 | Крышка | |
| 37 | ЭО-3322Б.70.20.015 | Фланец | |
| 38 | М10х25.58.019 | Болт | |
| 39 | 10.65Г | Шайба | |
| 40 | 314-02-72.51.008 | Корпус | |
| 41 | ЕК-16.72.50.008 | Вал-полумуфта | |
| 42 | ЕК-16.72.50.010 | Полумуфта | |
| 43 | ЕК-14А.72.51.017 | Муфта | |
| 44 | ЕК-14А.72.51.055 | Кольцо | |
| 45 | ЕК-14А.72.51.038 | Шестерня | |
| 45 | 312-04-72.51.006 | Шестерня | |
| 46 | ЭО-3323.20.50.020 | Кольцо | |
| 47 | 318-14-72.51.001 | Шайба стопорная | |
| 48 | 318-14-72.51.002 | Шайба | |
| 49 | ЕК-14А.72.51.006 | Корпус | |
| 50 | ЕК-14А.72.51.037 | Шестерня | |
| 50 | 312-04-72.51.005 | Шестерня | |
| 51 | ЕК-14А.72.51.044 | Прокладка | |
| 52 | ЕК-14А.72.51.039 | Шестерня | |
| 53 | 56-01.02.000 | Сапун | |
| 54 | 314-02-72.51.020 | Рычаг | |
| 56 | 3.2х20.019 | Шплинт | |
| 57 | 22-12d11х40.39.5-49.5Ц12Хр | Ось | |
| 58 | Шайба12 | Шайба | |
| 59 | 314-02-72.51.300 | Привод тормоза | |
| 60 | М12х40.58.019 | Болт | |
| 61 | ЭО-3323.20.30.049 | Пробка | |
| 62 | ЭО-3322.53.01.076 | Пружина | |
| 63 | М8х20.58.019 | Болт | |
| 64 | 8.65Г | Шайба | |
| 65 | 314-02-72.51.058 | Крышка | |
| 66 | М16х110.58.019 | Болт | |
| 67 | 16.65Г | Шайба | |
| 68 | 314-02-72.51.059 | Прокладка | |
| 69 | М12х50.58.019 | Болт | |
| 70 | 314-02-72.51.053 | Вилка | |
| 71 | 314-02-72.51.057 | Винт | |
| 72 | 1.6-0-Ч | Проволока | |
| 73 | 2.1-30х52-1 | Манжета | |
| 74 | Э302-2-0000-06 | Грязесъемник | |
| 75 | Э302-3-100-10А | Крышка | |
| 76 | 314-02-72.51.051 | Рычаг | |
| 77 | ЭО-3322Б.70.60.004 | Гайка | |
| 78 | М6-8gх12.58.019 | Винт | |
| 79 | М18х1.5.5.019 | Гайка | |
| 80 | ЭО-3322Б.70.20.034 | Шток | |
| 81 | ЭО-3323.20.50.007 | Пружина | |
| 82 | ЭО-3322Б.70.20.052 | Планка | |
| 83 | 100-3519210-01 | Камера тормозная | |
| 84 | ЭО-3322Д.24.01.008 | Гайка | |
| 86 | ЕК-14А.72.51.035 | Шайба | |
| 87 | ЕК-14А.72.51.036 | Шайба | |
| 88 | 314-02-72.51.048 | Шток | |
| 89 | ЕК-16.72.50.025 | Пружина | |
| 90 | 314-02-72.51.049 | Вилка | |
| 91 | 310.3.112.00 | Гидромотор | |
| 91 | 410А.112-40.02 | Гидромотор | |
| 91 | A2FM107/61W-XAB181-SK | Гидромотор | |
| 92 | 100-3519210 | Камера тормозная передняя | |
| 93 | 11371.16х6.01.019 | Шайба | |
| 94 | 7798.М12х40.58.019 | Болт | |
| 95 | ЭО-3322Б.70.20.053 | Планка | |
| 96 | 5915.М12.5.019 | Гайка | |
| 97 | 6402.12.65Г.019 | Шайба | |
| 98 | ЭО-3322Б.70.20.500 | Шток | |
| 99 | 314-02-72.51.320 | Кронштейн | |
| 100 | ЭО-3322Б.70.20.044 | Пружина | |
| 101 | 5915.М24.5.019 | Гайка | |
| 102 | 5915.М12х1,25.5.019 | Гайка |