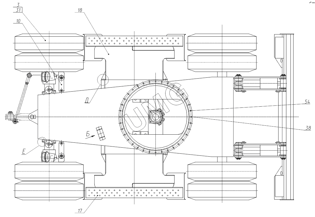
ЕК-12 (2013). 312-12-70.00.000 Ход пневмоколесный (ходовая рама с опорой-отвалом и стабилизаторами)
3
10
17
18
31
38
54
| Позиция на иллюстрации | Заводской номер детали | Название детали | |
|---|---|---|---|
| 1 | 312-04-50.00.050 | Палец | |
| 3 | 312-12-70.00.100 | Колесо с шиной | |
| 7 | 312-12-70.10.000 | Рама ходовая | |
| 9 | 312-12-70.30.000 | Мост приводной управляемый | |
| 10 | 312-12-70.40.000 | Управление поворотом колес | |
| 13 | 312-12-70.70.000 | Установка отвала | |
| 15 | 312-12.70.90.000 | Мост приводной неуправляемый | |
| 16 | 312-12-82.80.000 | Пневмоуправление на ходовой раме | |
| 17 | 312-04-50.80.000 | Ящик-подножка в сборе | |
| 18 | 312-04-50.85.100 | Подножка правая | |
| 20 | 312-04-71.00.000 | Гидрооборудование на ходовой раме | |
| 21 | 312-04-72.51.000 | Коробка перемены передач | |
| 22 | 314-02-70.00.040 | Упор стопора поворота | |
| 25 | ОПРУ-1250.01.10.24.00 | Опора поворотная роликовая унифицированная | |
| 31 | 312-12-70.00.002 | Кольцо проставочное | |
| 34 | 312-12-70.40.202 | Палец | |
| 36 | 314-02-70.00.007-10 | Проставка | |
| 37 | 314-02-70.00.008 | Болт | |
| 38 | 312-04-50.00.002 | Болт | |
| 39 | Э-302-4-0200-04 | Гайка | |
| 40 | Э-302-4-0900-02 | Шайба торцевая | |
| 42 | ЭО-3322А.02.00.010 | Шайба упорная | |
| 44 | ЭО-3322Б.70.00.001 | Болт | |
| 45 | ЭО-3322Б.70.00.007-01 | Прижим | |
| 46 | ЭО-3322Б.70.60.002 | Болт | |
| 47 | ЭО-3322Б.70.60.003 | Болт | |
| 48 | ЭО-3322Б.70.60.004 | Гайка | |
| 50 | М16-8gx30.58.019 | Болт | |
| 51 | М16-8gx50.58.019 | Болт | |
| 52 | М20-8gx60.58.019 | Болт | |
| 54 | М16-6gx125.109.40x.016 | Болт | |
| 57 | М10-7Н.5.019 | Гайка | |
| 60 | М16-7Н.5.019 | Гайка | |
| 62 | М16-6Н.10.40х.016 | Гайка | |
| 63 | М20-7Н.10.40х.019 | Гайка | |
| 64 | М22х1.5-7Н.5.019 | Гайка | |
| 67 | 10.65Г.19 | Шайба | |
| 69 | 14.65Г.19 | Шайба | |
| 70 | 16.65Г.19 | Шайба | |
| 71 | 20.65Г.19 | Шайба | |
| 72 | 22.65Г.19 | Шайба | |
| 73 | 24.65Г.19 | Шайба | |
| 77 | 16.01.019 | Шайба | |
| 80 | 8х80.019 | Шплинт | |
| 82 | 1.3Ц6Хр | Масленка | |
| 83 | 695Е-2201010-40 | Вал карданный |