ЕК-18-90. 318-90-21.00.000 Рабочее оборудование обратной лопаты
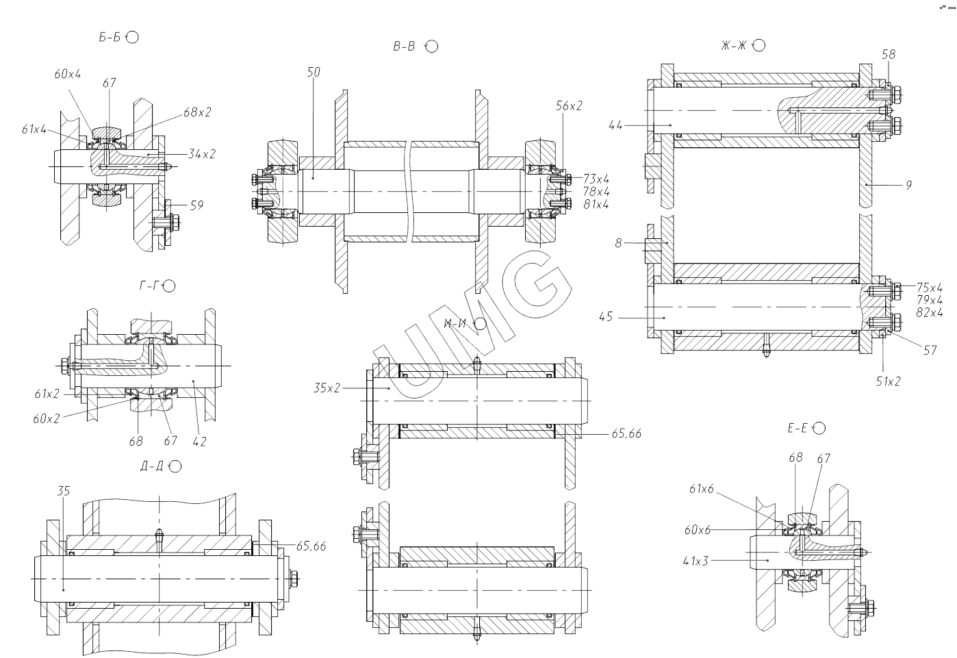
8
9
34
35
35
41
42
44
45
50
51
56
57
58
59
60
60
60
61
61
61
65
65
66
66
67
67
67
68
68
68
73
75
78
79
81
82
| Позиция на иллюстрации | Заводской номер детали | Название детали | |
|---|---|---|---|
| 1 | 318-14-21.01.300 | Стрела L=5400 мм | |
| 3 | 318-14-21.02.300 | Рукоять L=2200 мм | |
| 7 | 220-00-22.23.000 | Рычаг ковша | |
| 8 | 318-14-21.06.000 | Щека правая | |
| 9 | 318-14-21.06.100 | Щека левая | |
| 10 | 318-90-23.80.000 | Трубопроводы рабочего оборудования | |
| 17 | 318-14-21.07.100 | Ковш обратной лопаты | |
| 29 | 125-80-11.09.000 | Гидроцилиндр ковша | |
| 30 | 318-00-21.91.000-13 | Гидроцилиндр стрелы | |
| 31 | 125-90-14.03.000 | Гидроцилиндр рукояти | |
| 34 | 318-14-21.50.020 | Палец в сборе | |
| 35 | 318-14-21.50.050 | Палец в сборе | |
| 39 | 318-14-21.50.110 | Палец в сборе | |
| 41 | 314-02-23.50.550 | Палец в сборе | |
| 42 | 314-02-23.50.600 | Палец в сборе | |
| 44 | 225-00-25.50.070 | Палец в сборе | |
| 45 | 225-00-25.50.080 | Палец и сборе | |
| 50 | 318-14-21.50.002 | Палец | |
| 51 | 318-90-21.00.001 | Шайба | |
| 55 | ЭО-3322А.02.00.010 | Шайба упорная | |
| 56 | ЭО-3326.41.00.054 | Шайба торцевая | |
| 57 | Э-302-4-0900-02 | Шайба торцевая | |
| 58 | ЭО-3322Б.44.00.001 | Шайба торцовая | |
| 59 | 314-03-23.00.001 | Шайба | |
| 60 | ЭО-3322А.25.00.001 | Кольцо распорное | |
| 61 | ЭО-3322А.25.00.002 | Кольцо уплотнительное | |
| 65 | 312-04-28.00.001 | Шайба проставочная | |
| 66 | 312-04-28.00.001-10 | Шайба проставочная | |
| 67 | ШСЛ-70К | Подшипник | |
| 68 | В105 | Кольцо | |
| 69 | 1.3Ц6хр | Масленка | |
| 73 | М12-6gх35.58.016 | Болт | |
| 74 | М16-6gх30.58.016 | Болт | |
| 75 | М16-6gх35.58.016 | Болт | |
| 78 | 12.65Г.019 | Шайба | |
| 79 | 16.65Г.019 | Шайба | |
| 81 | С12.01.08кп.016 | Шайба | |
| 82 | С16.01.08кп.016 | Шайба | |
| 85 | 1-4С | Шнур |