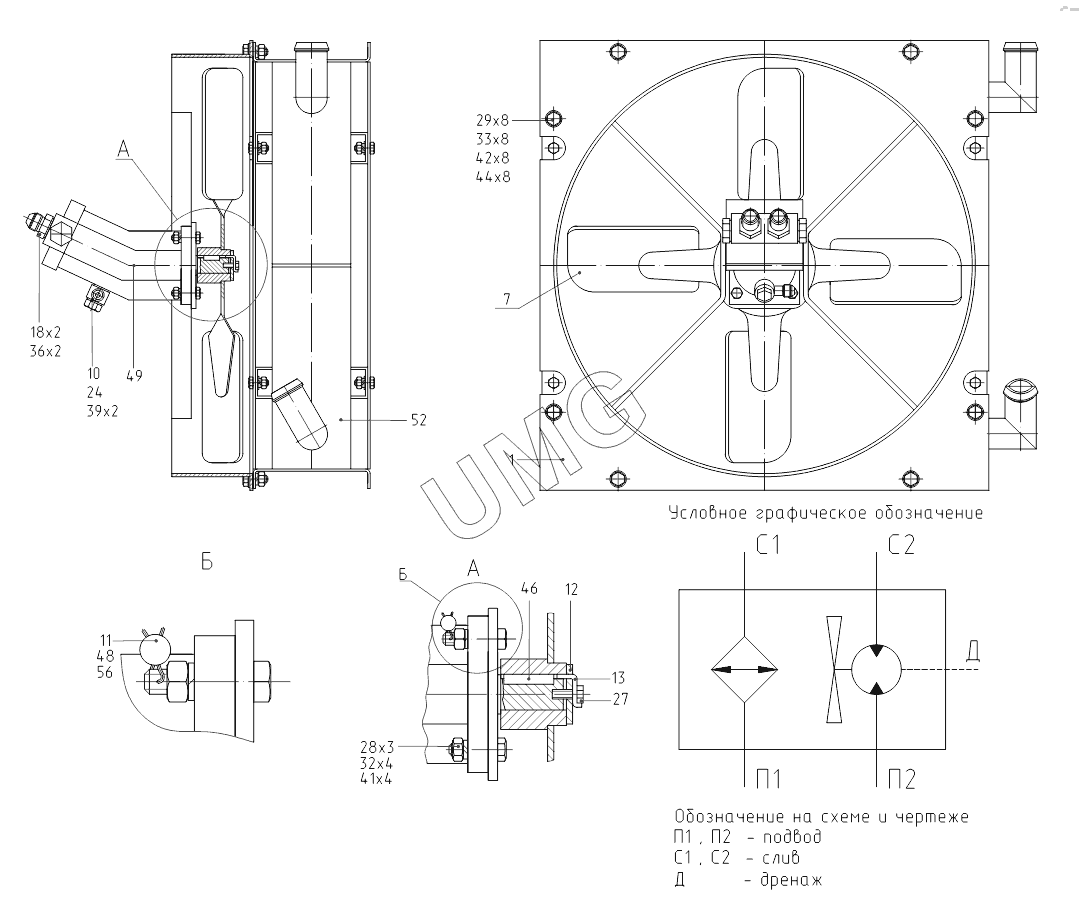
ЕК-18-90. 314-20-80.06.000 Установка маслоохладительная
1
7
10
11
12
13
18
24
27
28
29
32
33
36
39
41
42
44
46
48
49
52
56
| Позиция на иллюстрации | Заводской номер детали | Название детали | |
|---|---|---|---|
| 1 | 314-20-80.06.010 | Диффузор | |
| 7 | ЭО-3322А.02.04.200 | Крыльчатка | |
| 10 | 003-50-80.04.010-10 | Втулка | |
| 11 | 314-20-80.06.102 | Болт | |
| 12 | 313-00-80.06.002 | Шайба | |
| 13 | 313-00-80.06.003 | Шайба | |
| 18 | ЭО-3323.07.13.005 | Штуцер | |
| 24 | 003-50-80.04.001 | Болт | |
| 27 | М6-6gх14.58.016 | Болт | |
| 28 | М8-6gх30.58.016 | Болт | |
| 29 | М10-6gх25.58.016 | Болт | |
| 32 | М8-6Н.5.016 | Гайка | |
| 33 | М10-6Н.5.016 | Гайка | |
| 36 | 018-022-25-2-3 | Кольцо | |
| 39 | 12М3 | Прокладка | |
| 41 | 8.65Г.016 | Шайба | |
| 42 | 10.65Г.016 | Шайба | |
| 44 | С10.01.08кп.019 | Шайба | |
| 46 | 2-6х6х32 | Шпонка | |
| 48 | 10/6.5 | Пломба | |
| 49 | 310.12.01.03 | Гидромотор | |
| 52 | КМ313-00-80.06.700-10 | Калорифер | |
| 56 | 1-О-С | Проволока |