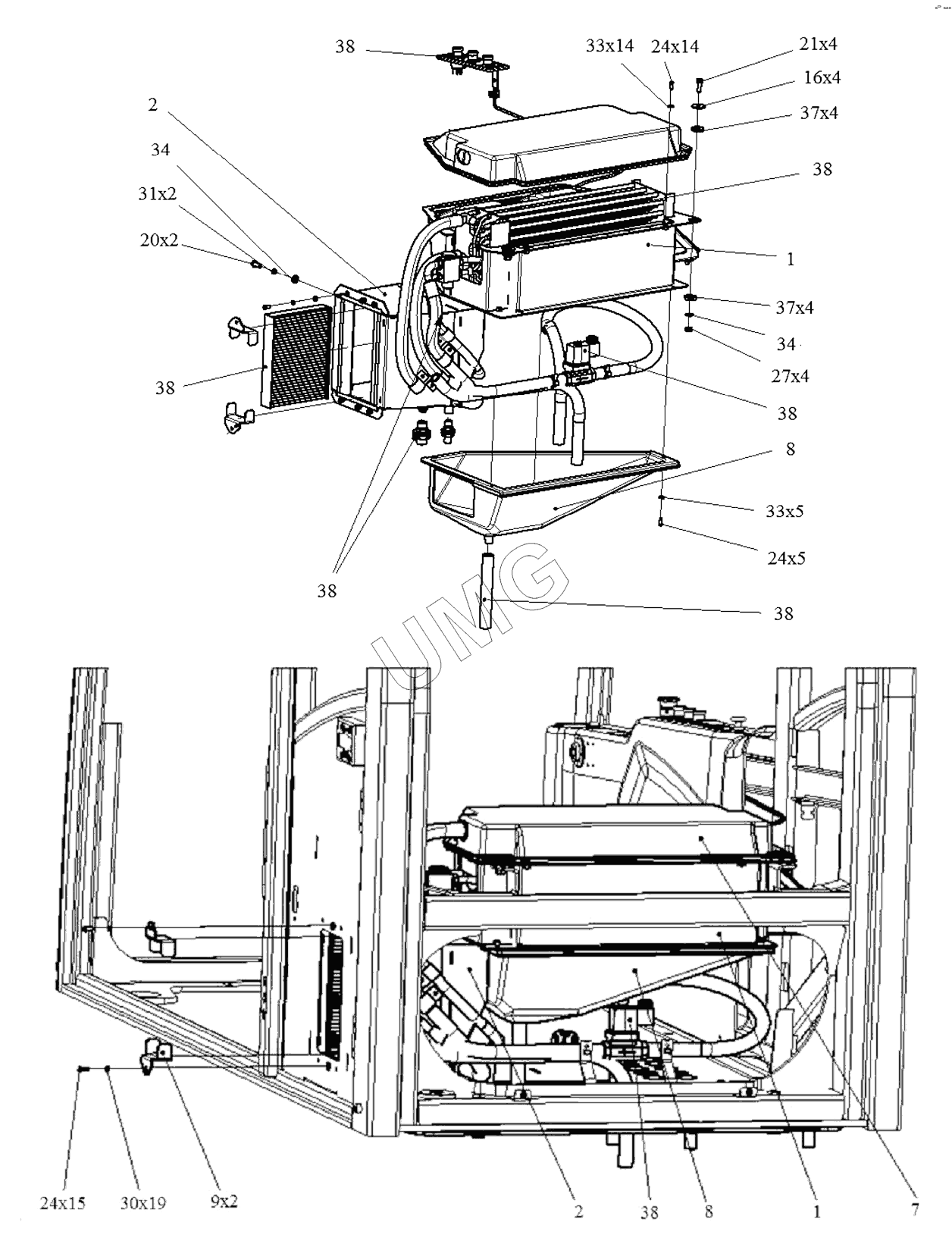
ТХ-270 / 300. 272020160000 00 Установка климатической системы
1
1
2
2
7
8
8
9
16
20
21
24
24
24
27
30
31
33
33
34
34
37
37
38
38
38
38
38
38
38
| Позиция на иллюстрации | Заводской номер детали | Название детали | |
|---|---|---|---|
| 1 | 27202016010000 | Корпус климатической системы | |
| 2 | 27202016020000 | Регулятор воздуха | |
| 7 | 27202020002700 | Крышка отопителя | |
| 8 | 27202020002800 | Воздуховод заборника | |
| 9 | 27202016000100 | Фиксатор | |
| 16 | 00023040401800 | Шайба | |
| 20 | 00002640012101 | Болт M8-6gx20.58.016 | |
| 21 | 00002640012701 | Болт М8-6gх25.58.016 | |
| 24 | 00002640031201 | Винт | |
| 25 | 00002640031501 | Винт | |
| 27 | 00002641060601 | Гайка М6-6Н.5.016 | |
| 30 | 00002644020401 | Шайба 6.65Г.016 | |
| 31 | 00002644020501 | Шайба 8.65Г.016 | |
| 33 | 00002644060601 | Шайба плоская | |
| 34 | 00002644060801 | Шайба С8.01.08кп.016 | |
| 37 | 00010310416501 | Прокладка крепления кронштейна | |
| 38 | 00092381007301 | Климатическая система кабины |