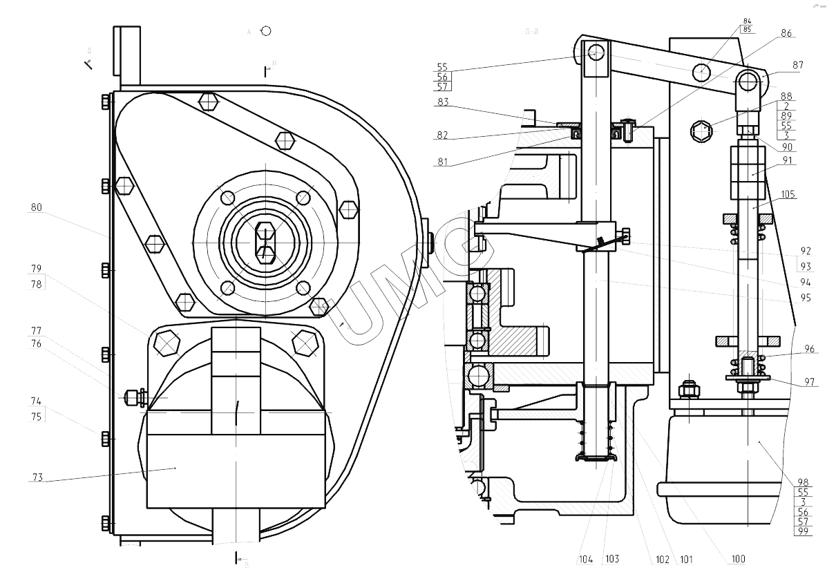
ЕК-14-20. 314-02-72.51.000 Коробка перемены передач
2
3
3
55
55
55
56
56
57
57
73
73
73
74
75
76
77
78
79
80
81
82
83
84
85
86
87
88
89
90
91
92
93
94
95
96
97
98
98
99
100
101
102
103
104
105
| Позиция на иллюстрации | Заводской номер детали | Название детали | |
|---|---|---|---|
| 1 | 314-02-72.51.120 | Корпус | |
| 2 | 7798.М12х35.58.019 | Болт | |
| 3 | 6402.12.65Г | Шайба | |
| 4 | ЭО-3322Б.70.20.043 | Кольцо | |
| 5 | 13940.В50 | Кольцо | |
| 6 | ЕК-14А.72.51.041 | Вал-шестерня | |
| 7 | 2893.50310 | Подшипник | |
| 8 | ЕК-14А.72.51.031 | Крышка | |
| 9 | ЭО-3322Б.70.20.028 | Прокладка | |
| 10 | 314-02-72.51.056 | Кольцо стопорное | |
| 11 | ЭО-3323.20.50.021 | Палец | |
| 12 | ЭО-3322Б.70.20.017 | Шайба | |
| 13 | ЭО-3322Б.70.20.045 | Шайба стопорная | |
| 14 | 7798.М10х30.58.019 | Болт | |
| 15 | 13940.В25 | Кольцо | |
| 16 | ЭО-3322Б.70.20.200 | Колодка тормозная | |
| 17 | ЭО-3323.20.50.011 | Палец | |
| 18 | ЭО-3322Б.70.20.023 | Шкив тормозной | |
| 19 | ЭО-3322Б.70.20.022 | Втулка | |
| 20 | 8752.2.1-70х95-1 | Манжета | |
| 21 | 9833.049-055-36-2-3 | Кольцо | |
| 22 | ЭО-3322Б.70.20.020 | Крышка | |
| 23 | ЭО-3322Б.70.20.029 | Прокладка | |
| 24 | ЕК-14А.72.51.010 | Втулка | |
| 25 | 8338.211 | Подшипник | |
| 26 | ЕК-14А.72.51.011 | Кольцо | |
| 27 | ЕК-14А.72.51.040 | Шестерня | |
| 28 | ЭО-3322Б.70.20.013 | Кольцо | |
| 29 | ЕК-14А.72.51.012 | Полумуфта | |
| 30 | ЕК-14А.72.51.046-10 | Вал | |
| 31 | 8328.102211 | Подшипник | |
| 32 | ЕК-14А.72.51.014 | Втулка | |
| 33 | 306-01-52.001 | Втулка | |
| 34 | 8338.310 | Подшипник | |
| 35 | 314-02-72.51.052 | Прокладка | |
| 36 | ЕК-16.72.50.012 | Прокладка | |
| 37 | ЕК-16.72.50.011 | Крышка | |
| 38 | ЭО-3322Б.70.20.015 | Фланец | |
| 39 | 7798.М10х25.58.019 | Болт | |
| 40 | 6402.10.65Г | Шайба | |
| 41 | 314-02-72.51.008 | Корпус | |
| 42 | ЕК-16.72.50.008 | Вал-полумуфта | |
| 43 | ЕК-16.72.50.010 | Полумуфта | |
| 44 | ЕК-14А.72.51.017 | Муфта | |
| 45 | ЕК-14А.72.51.055 | Кольцо | |
| 46 | ЭО-3322Б.03.30.022 | Прокладка | |
| 47 | ЕК-14А.72.51.038 | Шестерня | |
| 48 | ЭО-3323.20.50.020 | Кольцо | |
| 49 | 318-14-72.51.001 | Шайба стопорная | |
| 50 | 318-14-72.51.002 | Шайба | |
| 51 | ЕК-14А.72.51.006 | Корпус | |
| 52 | ЕК-14А.72.51.037 | Шестерня | |
| 53 | ЕК-14А.72.51.044 | Прокладка | |
| 54 | 314-02-72.51.020 | Рычаг | |
| 55 | 11371.12 | Шайба | |
| 56 | 397.3,2х20.019 | Шплинт | |
| 57 | 9650.22-12d11х40 | Ось | |
| 58 | 5915.М12х1,25.5.019 | Гайка | |
| 59 | 5915.М24.5.019 | Гайка | |
| 60 | ЭО-3322Б.70.20.044 | Пружина | |
| 61 | 7798.М12х40.58.019 | Болт | |
| 62 | 314-02-72.51.320 | Кронштейн | |
| 63 | ЭО-3322Б.70.20.500 | Шток | |
| 64 | 5915.М12.5.019 | Гайка | |
| 65 | 6402.12.65Г.019 | Шайба | |
| 66 | ЭО-3322Б.70.20.053 | Планка | |
| 67 | 7798.М12х40.58.019 | Болт | |
| 68 | 11371.16х6.01.019 | Шайба | |
| 69 | 100-3519210 | Камера тормозная передняя | |
| 70 | ЭО-3323.20.30.049 | Пробка | |
| 71 | ЭО-3322.53.01.076 | Пружина | |
| 72 | 7795.М12х50.58.019 | Болт | |
| 73 | 303.3.112.501 | Гидромотор | |
| 73 | A6VM107HA1T/63WVABW370A-SK+BVD20 | Гидромотор | |
| 74 | 7798.М8х20.58.019 | Болт | |
| 75 | 6402.8.65Г | Шайба | |
| 76 | 56-01.02.000 | Сапун | |
| 77 | 314-02-72.51.058 | Крышка | |
| 78 | 6402.16.65Г | Шайба | |
| 79 | 7798.М16х110.58.019 | Болт | |
| 80 | 314-02-72.51.059 | Прокладка | |
| 81 | 8752.2.1-30х52-1 | Манжета | |
| 82 | Э-302-2-0000-06 | Грязесъемнпк | |
| 83 | Э-302-3-1100-10А | Крышка | |
| 84 | 397.4х28.019 | Шплинт | |
| 85 | 11371.16 | Шайба | |
| 86 | 17473.М6-8gх12.58.019 | Винт | |
| 87 | 314-02-72.51.051 | Рычаг | |
| 88 | ЭО-3322Б.70.20.051 | Бонка | |
| 89 | 5915.М12-6H.5.019 | Гайка | |
| 90 | ЭО-3322Б.70.60.004 | Гайка | |
| 91 | 5915.М18х1,5-6H.5.019 | Гайка | |
| 92 | 314-02-72.51.057 | Винт | |
| 93 | 3282.1,6-0-Ч | Проволока (L=120мм) | |
| 94 | 314-02-72.51.053 | Вилка | |
| 95 | 314-02-72.51.048 | Шток | |
| 96 | ЭО-3323.20.50.007 | Пружина | |
| 97 | ЭО-3322Б.70.20.052 | Планка | |
| 98 | ЭО-3322Д.24.01.008 | Гайка | |
| 99 | 100-3519210-01 | Камера тормозная | |
| 100 | ЭО-3322Б.70.20.042 | Кольцо | |
| 101 | 314-02-72.51.049 | Вилка | |
| 102 | ЕК-16.72.50.025 | Пружина | |
| 103 | ЕК-14А.72.51.035 | Шайба | |
| 104 | ЕК-14А.72.51.036 | Шайба | |
| 105 | ЭО-3322Б.70.20.034 | Шток | |
| 106 | ЕК-14А.72.51.039 | Шестерня |