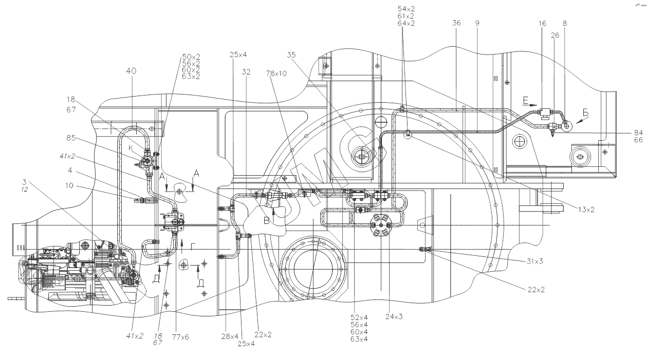
ЕК-14-90. 314-23-81.00.000 Пневмооборудование на поворотной платформе
3
4
8
9
10
12
13
16
18
18
22
22
24
25
25
26
28
31
32
35
36
40
41
41
50
52
54
56
56
60
60
61
63
63
64
66
67
67
77
78
84
85
| Позиция на иллюстрации | Заводской номер детали | Название детали | |
|---|---|---|---|
| 3 | 13.01.91.110 | Трубопровод | |
| 4 | 13.01.91.250 | Кран отбора воздуха | |
| 7 | 314-04-81.10.040 | Трубопровод | |
| 8 | 314-02-81.10.010-20 | Трубопровод | |
| 9 | 320-20-81.00.010 | Трубопровод | |
| 10 | ЭО-3322А.09.30.800 | Шланг для накачивания шин | |
| 12 | Э-302Б-1-61.50-03 | Штуцер | |
| 13 | Э-302-1-2200-06 | Скоба | |
| 14 | ЭО-3322А.09.20.009 | Угольник | |
| 15 | ЭО-3322А.09.40.004 | Пробка коническая | |
| 16 | ЭО-3322А.23.03.006 | Тройник | |
| 17 | ЭО-3322Б.11.07.015 | Штуцер | |
| 18 | 312-04-81.20.005 | Штуцер | |
| 21 | 314-21-81.00.002 | Ниппель | |
| 22 | 314-23-81.00.004 | Пробка | |
| 23 | 314-23-81.00.001 | Штуцер | |
| 24 | 314-70-03.00.028 | Ниппель | |
| 25 | 320-20-81.00.018 | Тройник | |
| 26 | 320-20-81.00.021 | Тройник | |
| 27 | 320-20-81.00.022 | Тройник | |
| 28 | 314-23-81.00.002 | Рукав | |
| 31 | 314-21-81.00.014 | Рукав | |
| 32 | 320-20-81.00.033 | Рукав | |
| 33 | 320-20-81.00.034 | Рукав | |
| 34 | 320-20-81.00.035 | Рукав | |
| 35 | 320-20-81.00.036 | Рукав | |
| 36 | 320-20-81.00.037 | Рукав | |
| 40 | 314-23-81.00.003 | Рукав | |
| 41 | 314-21-81.00.045 | Рукав | |
| 50 | М8-6gх30.58.016 | Болт | |
| 52 | М8-6gх50.58.016 | Болт | |
| 53 | М8-6gх75.58.016 | Болт | |
| 54 | М10-6gх20.58.016 | Болт | |
| 56 | М8-7Н.5.016 | Гайка | |
| 60 | 8.65Г.016 | Шайба | |
| 61 | 10.65Г.016 | Шайба | |
| 63 | С8.01.08кп.019 | Шайба | |
| 64 | С10.01.08кп.016 | Шайба | |
| 66 | 12М3 | Прокладка | |
| 67 | 22М3 | Прокладка | |
| 75 | КЭМ16-10 | Клапан электромагнитный | |
| 76 | 17/13-17 | Хомут | |
| 77 | 22/13-20 | Хомут | |
| 78 | 4,8х200DКС25315 | Хомут | |
| 79 | 100-3536010 | Предохранитель от замерзания | |
| 80 | 100-3511310 | Фильтр магистральный | |
| 81 | 27.3829 | Датчик аварийного давления воздуха | |
| 82 | 18.3829 | Датчик | |
| 83 | ПС7 | Кран | |
| 84 | 2802.38.29010 | Датчик | |
| 85 | 100-3512010 | Регулятор давления | |
| 87 | Спирт | Этиловый спирт |