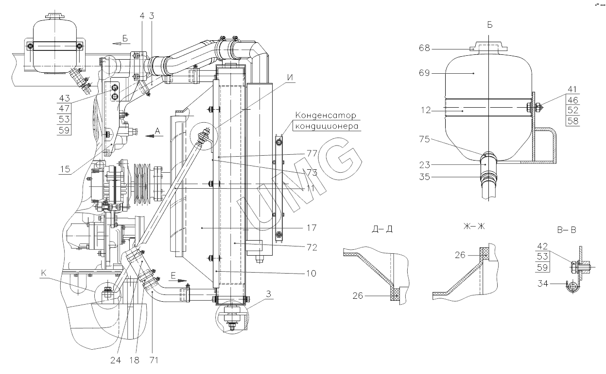
ЕК-14-90. 314-22-04.05.000 Установка радиаторов
3
3
4
10
11
12
15
17
18
23
24
26
26
34
35
41
42
43
46
47
52
53
53
58
59
59
68
69
71
72
73
75
77
| Позиция на иллюстрации | Заводской номер детали | Название детали | |
|---|---|---|---|
| 1 | 314-22-04.05.100 | Труба | |
| 2 | 314-22-04.05.200 | Труба | |
| 3 | 314-22-04.05.300 | Труба | |
| 4 | 314-22-04.05.400 | Кронштейн | |
| 7 | 422-00-03.02.200 | Труба | |
| 8 | 422-00-03.02.300 | Труба | |
| 9 | 422-00-03.02.400 | Планка | |
| 10 | 422-00-03.02.500 | Планка | |
| 11 | 314-60-04.04.010 | Растяжка | |
| 12 | 314-02-03.07.010-10 | Хомут | |
| 15 | 314-22-04.05.001 | Кронштейн | |
| 17 | 422-00-03.02.001 | Диффузор | |
| 18 | 422-00-03.02.003 | Патрубок | |
| 19 | 422-00-03.02.005 | Рукав | |
| 21 | 422-00-03.02.006 | Рукав | |
| 22 | 422-00-03.02.007 | Рукав | |
| 23 | 422-00-03.02.008 | Рукав | |
| 24 | 422-00-03.02.009 | Рукав | |
| 25 | 422-00-03.02.010 | Рукав | |
| 26 | 422-00-03.02.011 | Уплотнение | |
| 33 | 225-01-03.02.103 | Втулка упругая | |
| 34 | 312-40-04.04.002 | Прижим | |
| 35 | 314-60-04.00.009-20 | Переходник | |
| 36 | ЭО-3323.04.00.003 | Хомут | |
| 41 | М8-6gх20.58.016 | Болт | |
| 42 | М10-6gх25.58.016 | Болт | |
| 43 | М10-6gх30.58.016 | Болт | |
| 44 | М12-6gх25.58.016 | Болт | |
| 46 | М8-6Н.5.016 | Гайка | |
| 47 | М10-6Н.5.016 | Гайка | |
| 48 | М12-6Н.5.016 | Гайка | |
| 52 | 8.65Г.016 | Шайба | |
| 53 | 10.65Г.016 | Шайба | |
| 54 | 12.65Г.016 | Шайба | |
| 58 | С8.01.016 | Шайба | |
| 59 | С10.01.016 | Шайба | |
| 60 | С12.01.016 | Шайба | |
| 68 | 2105-1311066 | Пробка | |
| 69 | 2101-1311014 | Бачок расширительный | |
| 71 | 70Л-1303001 | Рукав | |
| 72 | РВ-ОНВ-Д-245.2S2-01 | Радиатор | |
| 73 | П-17-03 | Рукав средний | |
| 74 | 17/11-17 | Хомут червячный | |
| 75 | 28/19-28 | Хомут червячный | |
| 76 | 51/38-50 | Хомут червячный | |
| 77 | 65/50-65 | Хомут червячный | |
| 78 | 85/68-85 | Хомут червячный |