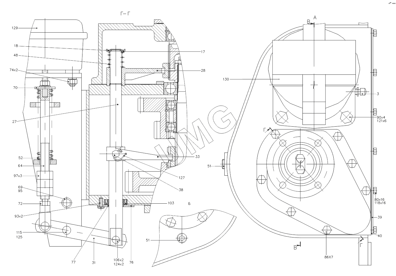
ЕК-14-90. 314-30-72.51.000 Коробка перемены передач
3
17
18
27
28
31
33
38
39
40
48
51
51
52
64
69
70
72
74
76
77
80
86
90
93
95
97
103
106
115
118
121
124
125
127
129
130
| Позиция на иллюстрации | Заводской номер детали | Название детали | |
|---|---|---|---|
| 1 | 314-02-72.51.120 | Корпус | |
| 3 | 56-01.02.000 | Сапун | |
| 4 | 314-02-72.51.050 | Корпус | |
| 5 | ЕК14А.72.51.006 | Корпус | |
| 7 | 314-02-72.51.008 | Корпус | |
| 8 | ЕК14А.72.51.010 | Втулка | |
| 9 | ЕК14А.72.51.011 | Кольцо | |
| 11 | ЕК14А.72.51.012 | Полумуфта | |
| 12 | ЕК14А.72.51.014 | Втулка | |
| 14 | ЕК14А.72.51.017 | Муфта | |
| 16 | ЕК14А.72.51.031 | Крышка | |
| 17 | ЕК14А.72.51.035 | Шайба | |
| 18 | ЕК14А.72.51.036 | Шайба | |
| 20 | ЕК14А.72.51.039 | Шестерня | |
| 21 | ЕК14А.72.51.040 | Шестерня | |
| 23 | ЕК14А.72.51.041 | Вал-шестерня | |
| 24 | ЕК14А.72.51.044 | Прокладка | |
| 26 | ЕК14А.72.51.046-10 | Вал | |
| 27 | 314-02-72.51.048 | Шток | |
| 28 | 314-02-72.51.049 | Вилка | |
| 29 | 318-14-72.51.001-01 | Шайба стопорная | |
| 30 | 318-14-72.51.002-01 | Шайба | |
| 31 | 314-02-72.51.051 | Рычаг | |
| 32 | 314-02-72.51.052 | Прокладка | |
| 33 | 314-02-72.51.053 | Вилка | |
| 35 | 314-02-72.51.055 | Кольцо | |
| 37 | 314-02-72.51.056 | Кольцо стопорное | |
| 38 | 314-02-72.51.057 | Винт | |
| 39 | 314-02-72.51.058 | Крышка | |
| 40 | 314-02-72.51.059 | Прокладка | |
| 41 | 312-04-72.51.005 | Шестерня | |
| 42 | 312-04-72.51.006 | Шестерня | |
| 43 | ЕК16.72.50.008 | Вал-полумуфта | |
| 44 | ЕК16.72.50.010 | Полумуфта | |
| 45 | ЕК16.72.50.011 | Крышка | |
| 47 | ЕК16.72.50.012 | Прокладка | |
| 48 | ЕК16.72.50.025 | Пружина | |
| 50 | 306-01-52.001 | Втулка | |
| 51 | ЭО-3323.20.30.049 | Пробка | |
| 52 | ЭО-3323.20.50.007 | Пружина | |
| 55 | ЭО-3322Б.70.20.029 | Прокладка | |
| 56 | ЭО-3323.20.50.020 | Кольцо | |
| 57 | ЭО-3322Б.70.20.013 | Кольцо | |
| 58 | ЭО-3322Б.70.20.015 | Фланец | |
| 60 | ЭО-3322Б.70.20.017 | Шайба | |
| 61 | ЭО-3322Б.70.20.020-11 | Крышка | |
| 63 | ЭО-3322Б.70.20.028 | Прокладка | |
| 64 | ЭО-3322Б.70.20.034 | Шток | |
| 67 | ЭО-3322Б.70.20.043 | Кольцо | |
| 68 | ЭО-3322Б.70.20.045 | Шайба стопорная | |
| 69 | ЭО-3322Б.70.20.051 | Бонка | |
| 70 | ЭО-3322Б.70.20.052 | Планка | |
| 72 | ЭО-3322Б.70.60.004 | Гайка | |
| 73 | ЭО-3322Б.03.30.022 | Прокладка | |
| 74 | ЭО-3322А.24.01.008 | Гайка | |
| 76 | Э-302-3-1100-10А | Крышка | |
| 77 | Э-302-2-0000-06 | Грязесъемнпк | |
| 80 | М8-6gх20.58.016 | Болт | |
| 82 | М10-6gх25.58.016 | Болт | |
| 83 | М10-6gх30.58.016 | Болт | |
| 86 | М12-6gх30.58.016 | Болт | |
| 87 | М12-6gх35.58.016 | Болт | |
| 88 | М16-6gх40.58.016 | Болт | |
| 90 | М16-6gх110.58.016 | Болт | |
| 93 | М6-6gх12.58.016 | Винт | |
| 95 | М12-6Н.5.016 | Гайка | |
| 97 | М18-6Нх1,5.5.016 | Гайка | |
| 100 | В50 | Кольцо | |
| 103 | 2,1-30х52-1 | Манжета | |
| 104 | 2,1-70х95-1 | Манжета | |
| 106 | 22-12d11x4039,5-49,5Ц12Хр | Ось | |
| 109 | 211 | Подшипник | |
| 110 | 310 | Подшипник | |
| 112 | 102211 | Подшипник | |
| 113 | 50310 | Подшипник | |
| 115 | 16 | Шайба | |
| 118 | 8.65Г | Шайба | |
| 119 | 10.65Г | Шайба | |
| 120 | 12.65Г | Шайба | |
| 121 | 16.65Г | Шайба | |
| 124 | 3,2х20.019 | Шплинт | |
| 125 | 4х28.019 | Шплинт | |
| 127 | 1,6-0-4 | Проволока | |
| 129 | 100-3519210-01 | Камера тормозная | |
| 130 | A2FM107/61W-XAB181SK | Гидромотор |