Товары
Каталог запчастей
Личный кабинет
Авторизация
Портал для заказа запасных частей
В товарах
В каталоге запчастей
Внимание!!! Сайт только для тестирования.
Каталоги запчастей к технике UMG
ТВЭКС
TVEX-180i
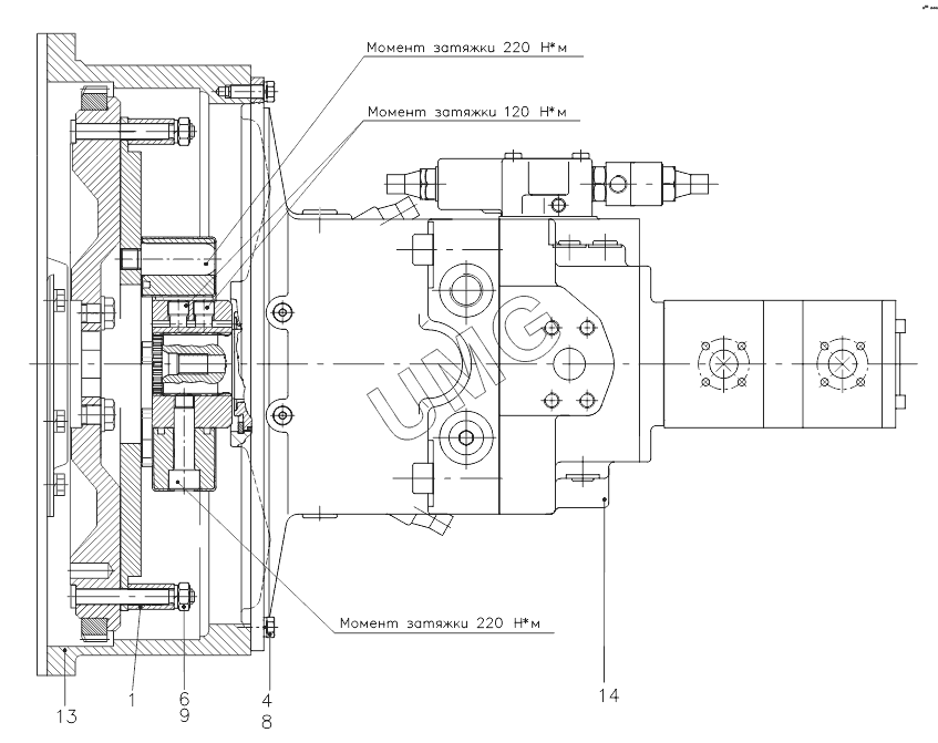
314220411000 00 Установка агрегата насосного
TVEX-180i. 314220411000 00 Установка агрегата насосного
zoom-in
zoom-out
enlarge
shrink
circle-right
circle-left
file-text2
info
cart
1
4
6
8
9
13
14
Позиция на иллюстрации
Заводской номер детали
Название детали
1
31402031100100
Втулка
4
М10-6gх35.88.016
Болт
6
М12х1,25-6Н.5.016
Гайка
8
10.65Г.016
Шайба
9
12.65Г.016
Шайба
13
00093110032401
Муфта
14
00010240001601
Агрегат насосный
Дополнительная информация
×
Название:
Номер:
Примечание:
АвтоКаталог-онлайн предоставлен
Компанией АвтоСофт