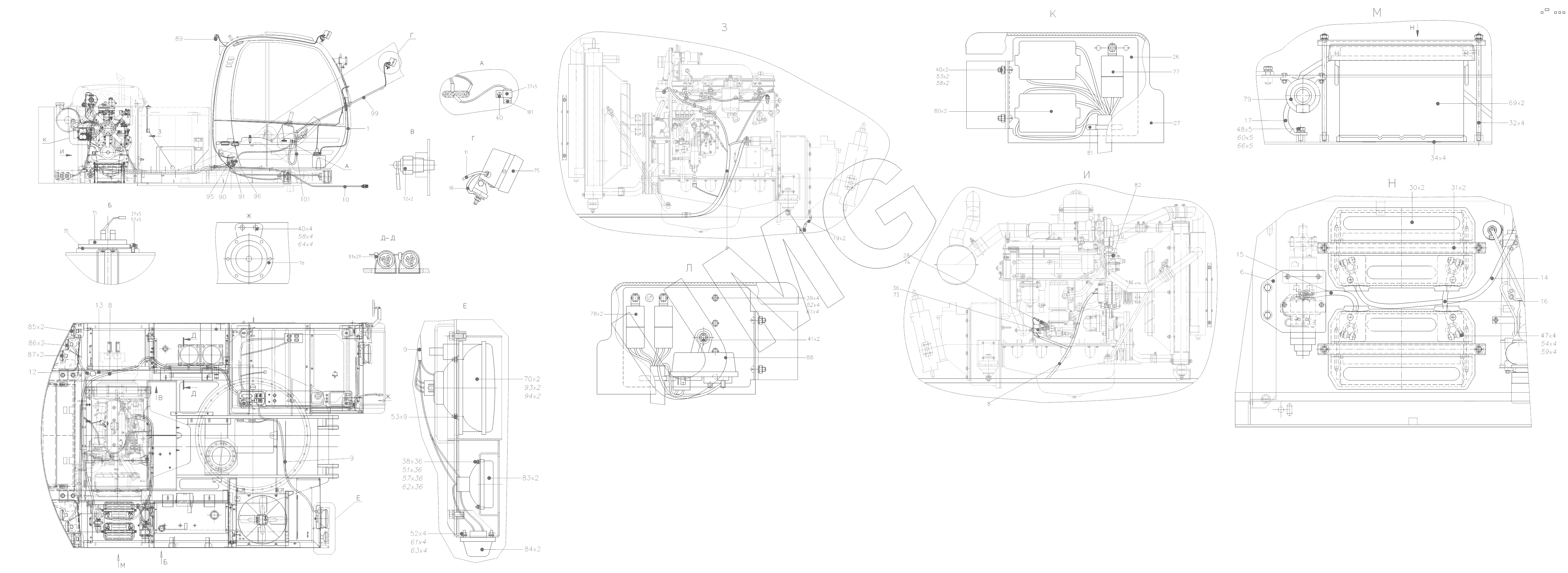
ЕК-14-90. 314-90-88.72.000 Электооборудование
1
6
8
8
8
9
9
10
11
12
13
14
15
16
17
18
19
26
27
28
30
31
32
34
35
36
37
37
38
39
40
40
40
41
47
48
51
52
52
53
53
54
57
57
58
58
59
60
61
61
62
63
64
66
69
70
71
72
73
74
75
76
77
78
79
80
81
81
82
83
84
85
86
87
88
89
90
91
93
94
95
96
99
101
101
| Позиция на иллюстрации | Заводской номер детали | Название детали | |
|---|---|---|---|
| 1 | 314-90-88.72.100 | Электооборудование кабины | |
| 6 | 314-20-88.68.070 | Кронштейн | |
| 8 | 314-20-88.68.030 | Жгут проводов | |
| 9 | 314-20-88.68.040 | Жгут проводов | |
| 10 | 314-02-88.01.170 | Жгут проводов прицепа | |
| 11 | 314-02-88.01.190 | Провод стрелы | |
| 12 | 314-02-88.59.040 | Жгут проводов | |
| 13 | 314-02-88.59.060 | Жгут проводов | |
| 14 | 312-20-88.20.170 | Провод | |
| 15 | 312-20-88.20.270 | Провод | |
| 16 | 312-20-88.20.280 | Провод | |
| 17 | 312-20-88.20.290 | Провод | |
| 18 | 225-10-88.12.080 | Провод | |
| 19 | 225-10-88.12.130 | Провод | |
| 26 | 422-00-88.66.001 | Кронштейн | |
| 27 | 320-00-88.60.002 | Кожух | |
| 28 | 314-02-88.01.005 | Переходник | |
| 30 | 040-01-88.35.004 | Крышка аккумуляторов | |
| 31 | 040-01-88.35.005 | Балка | |
| 32 | 040-01-88.35.006 | Шпилька | |
| 34 | 003-03-88.31.005 | Пластина 1Ф-1-ТМКЩ-С-2 ГОСТ 7338-90 30х100 | |
| 35 | 26.00.70.008 | Прокладка | |
| 36 | 13.06.20.002 | Переходник | |
| 37 | В1М4-6gх8.58.016 | Винт | |
| 38 | В1М4-6gх20.58.016 | Винт | |
| 39 | В1М5-6gх20.58.016 | Винт | |
| 40 | В1М6-6gх12.58.016 | Винт | |
| 41 | В1М6-6gх22.58.016 | Винт | |
| 46 | М8-6gх20.58.016 | Болт | |
| 47 | М8-6gх30.58.016 | Болт | |
| 48 | М10-6gх30.58.016 | Болт | |
| 51 | М4-6Н.5.016 | Гайка | |
| 52 | М5-6Н.5.016 | Гайка | |
| 53 | М6-6Н.5.016 | Гайка | |
| 54 | М8-6Н.5.016 | Гайка | |
| 55 | М10-6Н.5.016 | Гайка | |
| 57 | 4.65Г.016 | Шайба | |
| 58 | 6.65Г.016 | Шайба | |
| 59 | 8.65Г.016 | Шайба | |
| 60 | 10.65Г.019 | Шайба | |
| 61 | 5.65Г.019 | Шайба | |
| 62 | А4.01.08кп.019 | Шайба | |
| 63 | А5.01.08кп.019 | Шайба | |
| 64 | А6.01.08кп.019 | Шайба | |
| 65 | А8.01.08кп.019 | Шайба | |
| 66 | А10.01.08кп.019 | Шайба | |
| 69 | 6СТ-90 | Аккумуляторная батарея | |
| 70 | 423.3711010 | Фара | |
| 71 | В26.3827 | Датчик | |
| 72 | ТМ-100В | Датчик | |
| 73 | ММ358 | Датчик | |
| 74 | 2602.3829 | Датчик | |
| 75 | 8724..304/013 | Фара рабочая | |
| 76 | С314-01 | Сигнал звуковой | |
| 77 | 738.3747-20 | Реле | |
| 78 | 901.3747 | Реле | |
| 79 | 1410.3737 | Выключатель | |
| 80 | 111.3722 | Блок предохранительный | |
| 81 | 25314 | Кабельный хомут | |
| 82 | ТМ111-02 | Аварийный датчик температуры | |
| 83 | УП115-В | Указатель поворота | |
| 84 | УП101-В | Повторитель указателя поворота | |
| 85 | УП115-Г | Указатель поворота задний | |
| 86 | ФП116-В | Фонарь задний | |
| 87 | ФП115-В | Фонарь задний | |
| 88 | 252.3763 | Блок управления свечами накаливания | |
| 89 | 12.3717-02 | Фонарь | |
| 90 | 4573739011 | Колодка соединительная | |
| 91 | 4573739012 | Колодка соединительная | |
| 92 | ФП310Е | Световозвращатель | |
| 93 | АКГ24-75+70Н4 | Лампа | |
| 94 | АМН24-4 | Лампа | |
| 95 | 4573739003 | Колодка соединительная | |
| 96 | 4573739004 | Колодка соединительная | |
| 99 | ГОСТ8734-75 | Труба | |
| 101 | Р3-Ц-Х-Ш-15 | Металлорукав |