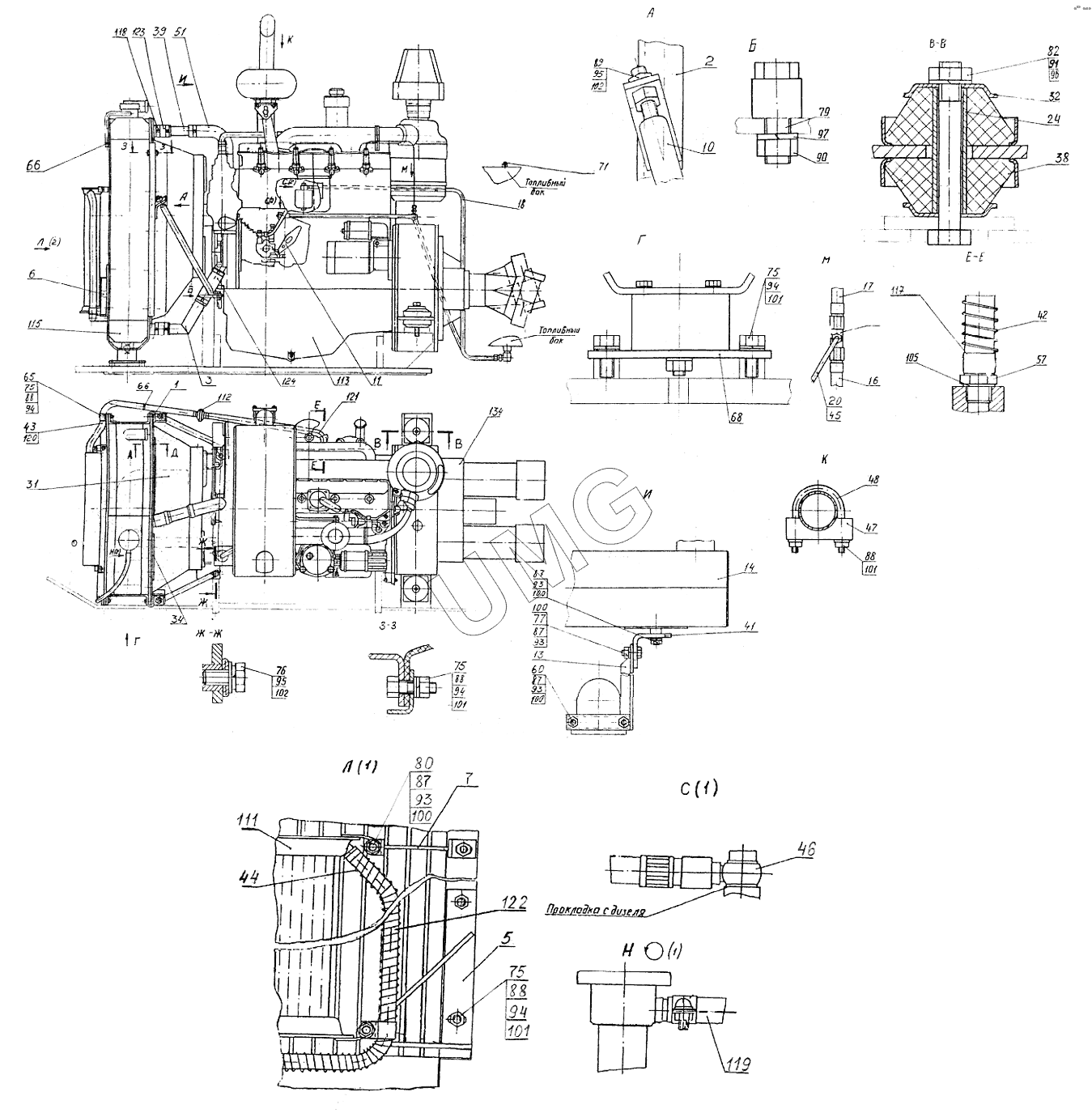
ЭОВ-3521. Установка силовая
1
2
3
5
6
7
10
11
13
14
16
17
18
20
24
31
32
38
38
39
41
42
43
44
45
46
47
48
51
57
60
65
66
66
68
75
75
75
75
76
77
79
80
82
87
87
87
87
88
88
88
88
89
90
91
93
93
93
93
94
94
94
94
95
95
96
97
100
100
100
100
101
101
101
101
102
102
105
111
112
113
115
117
118
119
120
121
122
123
124
134
| Позиция на иллюстрации | Заводской номер детали | Название детали | |
|---|---|---|---|
| 1 | 312-04.03.51.010 | Планка | |
| 2 | 312-04.03.51.010-10 | Планка | |
| 3 | 312-04-03.51.020 | Патрубок нижний | |
| 5 | 312-04-03.51.040 | Кронштейн | |
| 6 | 312-04-03.51.040-10 | Кронштейн | |
| 7 | 312-04-03.51.050 | Тяга | |
| 10 | 312-04-03.50.100 | Растяжка | |
| 11 | 312-04-03.51.100 | Управление двигателем | |
| 13 | 312-04-03.51.070 | Кронштейн | |
| 14 | 312-04-03.50.600 | Глушитель | |
| 16 | 312-04-03.51.080-10 | Шланг | |
| 17 | 312-04-03.51.080-20 | Шланг | |
| 18 | 312-04-03.51.080-30 | Шланг | |
| 20 | 312-04-03.51.090 | Трубопровод | |
| 24 | 312-40-04.00.020 | Втулка опорная | |
| 31 | 312-04-03.51.001 | Кожух | |
| 32 | 312-04-03.51.002 | Чашка | |
| 38 | 312-04-03.51.006 | Амортизатор | |
| 38 | 20507988ВГИ003.000 | Амортизатор | |
| 39 | 312-04-03.51.007 | Патрубок В20 ГОСТ 8733-74 | |
| 41 | 312-04-03.51.018 | Уголок | |
| 42 | 005-01-03.02.004 | Оплетка | |
| 43 | 005-01-03.02.005 | Оплетка | |
| 44 | 005-01-03.02.006 | Оплетка | |
| 45 | ЭО-3323.01.90.009 | Штуцер | |
| 46 | 13.03.02.009 | Штуцер | |
| 47 | ЭО-3323.04.00.002 | Планка | |
| 48 | ЭО-3323.04.00.003 | Хомут | |
| 51 | ЭО-3323.04.04.002 | Шланг | |
| 57 | ЭО-3323.04.04.003 | Штуцер | |
| 60 | 312-04-03.51.015 | Хомут | |
| 65 | ЭО-3323.01.05.011 | Скоба | |
| 66 | Э-302-1-1600-14 | Хомутик | |
| 68 | 312-04-03.51.016 | Планка | |
| 72 | 312-04-03.51.017 | Штуцер | |
| 75 | ВМ10-6gx25.58.016 | Болт | |
| 76 | ВМ12-6gx30.58.016 | Болт | |
| 77 | ВМ8-6gx20.58.016 | Болт | |
| 79 | ВМ20-6gx70.58.016 | Болт | |
| 80 | М8-6gx40.58.016 | Болт | |
| 82 | М16-6gx140.109.40х.016 | Болт | |
| 84 | ВМ6-6gx25.58.016 | Винт | |
| 86 | М6-6Н.5.016 | Гайка | |
| 87 | М8-6Н.5.016 | Гайка | |
| 88 | М10-6Н.5.016 | Гайка | |
| 89 | М12-6Н.5.016 | Гайка | |
| 90 | М20-6Н.5.016 | Гайка | |
| 91 | М16-6Н.5.016 | Гайка | |
| 93 | 8.65Г.016 | Шайба | |
| 94 | 10.65Г.016 | Шайба | |
| 95 | 12.65Г.016 | Шайба | |
| 96 | 16.65Г.016 | Шайба | |
| 97 | 20.65Г.016 | Шайба | |
| 99 | C6.01.08кп.019 | Шайба | |
| 100 | C8.01.08кп.019 | Шайба | |
| 101 | C10.01.08кп.019 | Шайба | |
| 102 | C12.01.08кп.019 | Шайба | |
| 105 | 20М3 | Прокладка | |
| 111 | РМ100-1013030 | Радиатор масляный | |
| 112 | 70-140.5230 | Фильтр сетчатый | |
| 113 | Д-243-286 | Дизель | |
| 115 | РВ-КМ-ЕК12 | Радиатор | |
| 117 | 13-22 | Хомут | |
| 118 | 38-51 | Хомут | |
| 119 | 8х15-1.6 | Рукав | |
| 120 | 14х22.5-1.6 | Рукав | |
| 121 | 14х22.5-1.6 | Рукав | |
| 122 | 14х22.5-1.6 | Рукав | |
| 123 | 38х49-1.6 | Рукав | |
| 124 | 38х49-1.6 | Рукав | |
| 134 | 314-02-03.09.000-40 | Установка насоса |