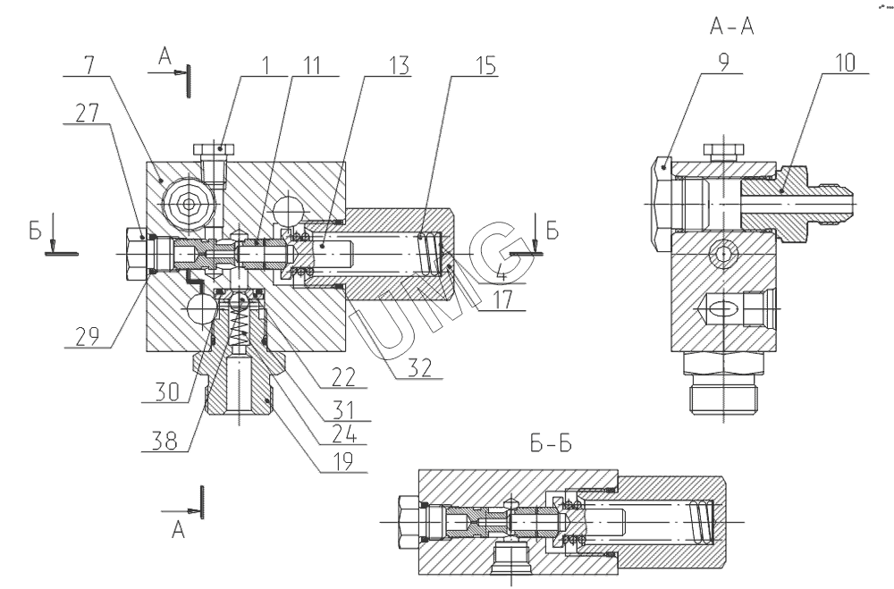
5846ТМ (ЕА17). Блок гидроклапанов
1
4
7
9
10
11
13
15
17
19
22
24
27
29
30
31
32
38
| Позиция на иллюстрации | Заводской номер детали | Название детали | |
|---|---|---|---|
| 1 | 13.04.02.108 | Пробка | |
| 4 | 0123.04.06.107 | Шайба | |
| 7 | 64011.00.010-30 | Корпус | |
| 9 | ЭО-3323.20.83.071-20 | Заглушка | |
| 10 | ЭО-3322Д.23.02.032 | Штуцер | |
| 11 | 64011.00.030-20 | Золотник | |
| 13 | 64011.00.050-30 | Упор пружины | |
| 15 | 64011.00.070-20 | Пружина | |
| 17 | 64011.00.080-30 | Стакан | |
| 19 | 64011.00.090 | Штуцер | |
| 22 | 64011.00.100 | Седло | |
| 24 | 64011.00.110 | Пружина | |
| 27 | 64011.00.120-20 | Пробка | |
| 29 | 012-016-25-2-3 | Кольцо | |
| 30 | 014-018-25-2-3 | Кольцо | |
| 31 | 018-022-25-2-3 | Кольцо | |
| 32 | 024-028-25-2-3 | Кольцо | |
| 38 | Б 8-60 | Шарик |