Товары
Каталог запчастей
Личный кабинет
Авторизация
Портал для заказа запасных частей
В товарах
В каталоге запчастей
Внимание!!! Сайт только для тестирования.
Каталоги запчастей к технике UMG
ТВЭКС
E185W (ЕК-18)
Рама выдвижная
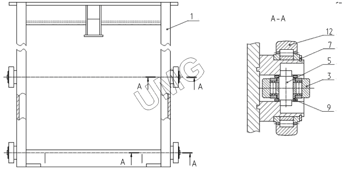
E185W (ЕК-18). Рама выдвижная
zoom-in
zoom-out
enlarge
shrink
circle-right
circle-left
file-text2
info
cart
1
3
5
7
9
12
Позиция на иллюстрации
Заводской номер детали
Название детали
1
318-40-31.02.100
Металлоконструкция рамы выдвижной
3
005-01-33.02.200
Подшипник
5
003-00-33.33.101
Ось
7
В60
Кольцо
9
16.01.05
Шайба ГОСТ 11371-70
12
962712ХС17
Роликоподшипник
Дополнительная информация
×
Название:
Номер:
Примечание:
АвтоКаталог-онлайн предоставлен
Компанией АвтоСофт