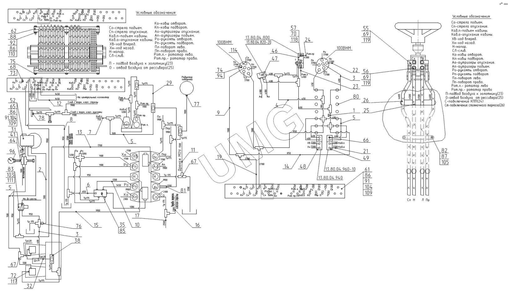
E185W (ЕК-18). Гидроуправление на поворотной платформе (монтажная схема)
13.80.04.820-20
100ВНМ
100ВНМ
1
2
3
4
5
5
5
5
6
7
8
9
10
11
12
13
14
15
16
17
19
21
22
23
24
25
26
29
31
32
35
38
41
46
46
47
48
48
49
49
52
55
56
57
61
62
64
65
66
67
67
68
69
69
70
72
73
74
75
76
77
78
80
81
82
83
85
86
86
86
87
88
91
91
92
94
96
103
104
104
105
109
109
110
111
114
117
118
119
119
| Позиция на иллюстрации | Заводской номер детали | Название детали | |
|---|---|---|---|
| 13.80.04.820-20 | 13.80.04.820-20 | Блок управления | |
| 100ВНМ | 100ВНМ | Блок управления | |
| 1 | ЭО-3323А.07.31.030 | Рукав (L=100мм) | |
| 2 | ЭО-3323А.07.31.050 | Рукав L=300 мм | |
| 3 | ЭО-3323А.07.31.070 | Рукав L=400 мм | |
| 4 | ЭО-3323А.07.31.080 | Рукав L=450 мм | |
| 5 | ЭО-3323А.07.31.090 | Рукав L=500 мм | |
| 6 | ЭО-3323А.07.31.110 | Рукав L=650 мм | |
| 7 | ЭО-3323А.07.31.120 | Рукав L=750 мм | |
| 8 | ЭО-3323А.07.31.130-10 | Рукав L=950 мм | |
| 9 | ЭО-3323А.07.31.150 | Рукав L= 1100 мм | |
| 10 | ЭО-3323А.07.31.160 | Рукав L=1200 мм | |
| 11 | ЭО-3323А.07.31.170 | Рукав L=1300 мм | |
| 12 | ЭО-3323А.07.31.180 | Рукав (L=1450 мм) | |
| 13 | ЭО-3323А.07.31.190 | Рукав L=1700 мм | |
| 14 | ЭО-3323А.07.31.125-10 | Рукав L=850 мм | |
| 15 | ЭО-3323А.07.31.200 | Рукав L=1900 мм | |
| 16 | ЭО-3323А.07.31.210 | Рукав (L=2100 мм) | |
| 17 | ЭО-3323А.07.31.230 | Рукав L=2500 мм | |
| 19 | ЭО-3323А.07.31.240 | Рукав (L=2700мм) | |
| 21 | ЭО-3323А.07.31.270-10 | Рукав L=3300 мм | |
| 22 | ЭО-3323А.07.31.290 | Рукав (L=3700мм) | |
| 23 | ЭО-3323А.07.31.300-10 | Рукав (L=4100мм) | |
| 24 | ЭО-3323А.07.31.305 | Рукав (L=4300мм) | |
| 25 | ЭО-3323А.07.31.320 | Рукав (L=4500мм) | |
| 26 | ЭО-3323А.07.31.325 | Рукав (L=4600мм) | |
| 29 | ЭО-3323А.07.21.360 | Трубопровод | |
| 31 | ЭО-3323А.07.21.440 | Трубопровод | |
| 32 | ЭО-3323А.07.21.430 | Трубопровод L=420 mm | |
| 35 | ЭО-3323А.07.21.010 | Гидрораспределитель | |
| 38 | ЭО-3323А.07.15.020 | Клапан «ИЛИ» | |
| 41 | ЭО-3322А.23.02.260 | Включатель манометра | |
| 46 | 13.80.04.800 | Блок управления | |
| 47 | 13.80.04.820 | Блок управления | |
| 48 | 13.80.04.940 | Блок управления | |
| 49 | 13.80.04.960-10 | Блок управления | |
| 52 | 64002.10.000-10 | Пневмогидроаккумулятор | |
| 55 | 005-04-80.04.020 | Переходник | |
| 56 | 005-04-80.04.040 | Переходник | |
| 57 | 016-00-80.04.010 | Переходник | |
| 61 | 318-40-80.04.001-10 | Планка | |
| 62 | 318-40-80.04.003 | Планка | |
| 64 | ЭО-3322А.23.03.006 | Тройник | |
| 65 | ЭО-3322А.23.03.008 | Хомут | |
| 66 | ЭО-3322А.24.00.005 | Штуцер | |
| 67 | ЭО-3322А.24.01.004 | Тройник | |
| 68 | ЭО-3322А.24.01.005 | Штуцер | |
| 69 | 005-04-80.04.002 | Болт | |
| 70 | 016-00-80.04.001 | Болт | |
| 72 | ЭО-3322Б.11.07.015 | Штуцер | |
| 73 | ЭО-3322А.24.01.008 | Гайка | |
| 74 | 520.20.20.025 | Штуцер | |
| 75 | 318-40-80.04.004 | Шпилька | |
| 76 | ЭО-3323А.07.21.003 | Крестовина | |
| 77 | 225-00-80.04.001 | Штуцер дроссельный | |
| 78 | ЭО-3322А.23.03.004 | Штуцер | |
| 80 | Э-302-1-1200-40 | Втулка предохранительная | |
| 81 | 312-04-80.04.002 | Чехол | |
| 82 | 18.15.01.001 | Планка | |
| 83 | М6-6gх16.58.016 | Болт | |
| 85 | М8-6gх16.58.016 | Болт | |
| 86 | М8-6gх20.58.016 | Болт | |
| 87 | М10-6gх20.58.016 | Болт | |
| 88 | М10-6gх85.88.40Х.016 | Болт | |
| 91 | М8-6Н.5.016 | Гайка | |
| 92 | М10-6Н.5.016 | Гайка | |
| 94 | 012-016-25-2-3 | Кольцо | |
| 96 | ТУ25-7310.0045-87 | Манометр | |
| 97 | ТУ25-7310.0045-87 | Манометр | |
| 103 | 6.65Г.016 | Шайба | |
| 104 | 8.65Г.016 | Шайба | |
| 105 | 10.65Г.016 | Шайба | |
| 109 | С8.01.08кп.019 | Шайба | |
| 110 | С10.01.08кп.019 | Шайба | |
| 111 | ГР2-3-1-12ГДФК.306532.100-01 | Гидрораспределитель | |
| 114 | 100BHM-11 | Блок управления | |
| 117 | 400-765-5590 | Прокладка | |
| 118 | 400-768-5590 | Прокладка | |
| 119 | 400-768-5590 | Прокладка |