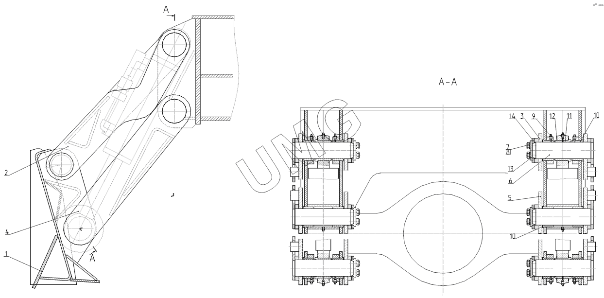
ЕК-12 (2007). 312-04-50.70.000, 312-12-70.70.000 Установка отвала (ходовая рама с аутригерами или со стабилизаторами)
1
1
2
3
4
5
6
7
8
9
10
10
11
12
13
14
| Позиция на иллюстрации | Заводской номер детали | Название детали | |
|---|---|---|---|
| 1 | 312-12-50.70.100 | Отвал | |
| 1 | 312-12-70.70.100 | Отвал | |
| 2 | 312-04-50.70.200 | Тяга верхняя правая | |
| 3 | 312-04-50.70.200-01 | Тяга верхняя левая | |
| 4 | 312-04-50.70.400 | Тяга нижняя правая | |
| 5 | 312-04-50.70.400-01 | Тяга нижняя левая | |
| 6 | 312-04-50.70600 | Палец | |
| 7 | М16-8gx30.58.019 | Болт | |
| 8 | 16.65Г.019 | Шайба | |
| 9 | 1.3.01 | Масленка | |
| 10 | 312-04-50.70.001 | Втулка | |
| 11 | 312-04-50.70.002 | Втулка | |
| 12 | В85 | Кольцо | |
| 13 | Э-302-4-0900-02 | Шайба торцевая | |
| 14 | 314-02-70.00.003 | Шайба |