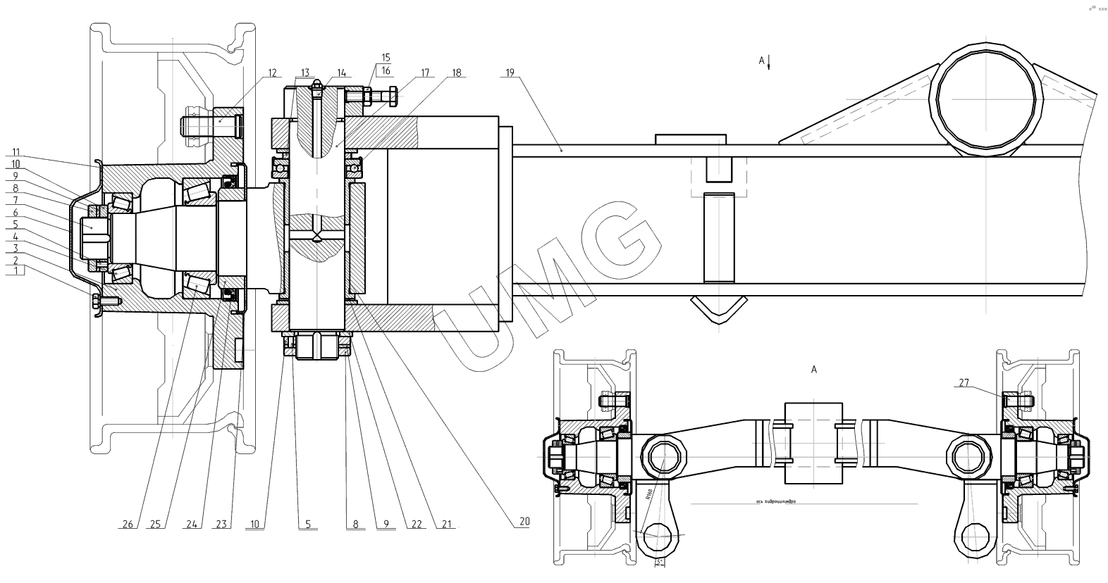
ВП-05 (вариант). 005-01-70.30.000 Мост неприводной управляемый
1
2
3
4
5
5
6
7
8
8
9
9
10
10
11
12
13
14
15
16
17
18
19
20
21
22
23
24
25
26
27
| Позиция на иллюстрации | Заводской номер детали | Название детали | |
|---|---|---|---|
| 1 | 7798.М8-6gх20.58.019 | Болт | |
| 2 | 6402.8.65Г.019 | Шайба | |
| 3 | 005-01-70.30.001 | Ступица | |
| 4 | 7510 | Подшипник | |
| 5 | 3128.5n8х10 | Штифт | |
| 6 | 306-00-54.005 | Крышка | |
| 7 | 005-01-70.30.220 | Цапфа | |
| 8 | 005-01-70.30.013 | Гайка | |
| 9 | 306-00.54.007 | Кольцо стопорное | |
| 10 | 005-01-70.30.015 | Гайка | |
| 11 | 005-01-70.30.005 | Прокладка | |
| 12 | 005-01-70.30.014 | Болт | |
| 13 | 005-01-70.30.018 | Шайба регулировочная | |
| 14 | 19853.1.301 | Масленка | |
| 15 | 005-01-70.30.020 | Болт | |
| 16 | 5915.M12-7H.019 | Гайка | |
| 17 | 005-01-70.30.011 | Шкворень | |
| 18 | 688811АКС23 | Подшипник | |
| 19 | 005-01-70.30.600 | Балка моста | |
| 20 | 005-01-70.30.017 | Втулка | |
| 21 | 005-01-70.30.012 | Шайба | |
| 22 | 005-01-70.30.016 | Шайба | |
| 23 | 005-01-70.30.006 | Кожух | |
| 24 | 8752.2.1-100х125-1 | Манжета | |
| 25 | 005-01-70.30.007 | Кольцо | |
| 26 | 7513 | Подшипник | |
| 27 | 005-01-70.30.014-10 | Болт левый |