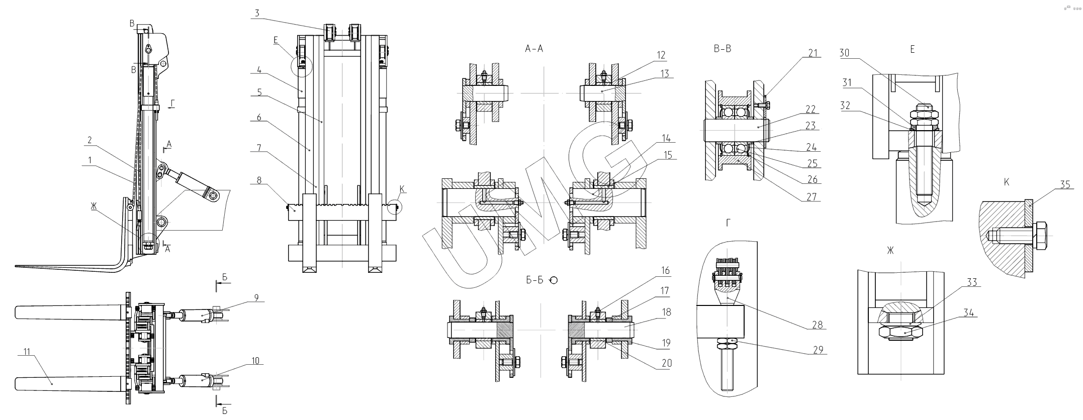
ВП-05 (вариант). 005-04-33.10.000 Грузоподъемник
1
2
3
4
5
6
7
8
9
10
11
12
13
14
15
16
17
18
19
20
21
22
23
24
25
25
26
27
28
29
30
31
32
33
34
35
| Позиция на иллюстрации | Заводской номер детали | Название детали | |
|---|---|---|---|
| 1 | 23540.П-25.4-217-5-3 | Цепь L=2,46 м (97 зв.) | |
| 2 | 23540.П-25.4-217-5-3 | Цепь L=2,46 м (97 зв.) | |
| 3 | 005-01-33.00.015 | Ролик | |
| 4 | 070-70-15.00.000 | Цилиндр подъема | |
| 5 | 005-04-33.10.200 | Рама внутренняя | |
| 6 | 005-04-33.10.400 | Рама основная | |
| 7 | 005-04-33.10.300 | Рама средняя | |
| 8 | 005-04-33.10.100 | Каретка | |
| 9 | 005-00-33.92.000-20 | Цилиндр наклона правый | |
| 10 | 005-00-33.91.000-20 | Цилиндр наклона левый | |
| 11 | 005-01-33.01.000-10 | Вилы | |
| 12 | 005-01-33.00.003 | Втулка | |
| 13 | 005-01-33.00.100 | Палец в сборе | |
| 14 | 005-01-33.00.120 | Палец в сборе | |
| 15 | 005-01-33.00.004-10 | Втулка | |
| 16 | 19853.1.3.Ц6хр | Масленка | |
| 17 | 005-04-33.00.013 | Кольцо | |
| 18 | 005-00-33.00.110 | Палец в сборе | |
| 19 | 005-04-33.00.020 | Втулка | |
| 20 | 005-04-33.00.009 | Втулка | |
| 21 | 005-01-33.00.011 | Ригель | |
| 22 | 005-01-33.00.010 | Палец | |
| 23 | 005-01-33.00.012 | Кольцо | |
| 24 | 005-01-33.00.016 | Шайба | |
| 25 | 710309 | Подшипник | |
| 25 | 102309 | Подшипник | |
| 26 | 005-01-33.00.017 | Кольцо | |
| 27 | 005-04-33.00.015 | Ролик | |
| 28 | 005-01-33.00.005-10 | Болт натяжной | |
| 29 | 5916.М24-7Н.05.019 | Гайка | |
| 30 | 005-01-33.00.008 | Шпилька | |
| 31 | 005-01-33.00.007 | Шайба сферическая | |
| 32 | 005-01-33.00.006 | Шайба коническая | |
| 33 | 3057.НД80х50х5х1,5 | Пружина тарельчатая | |
| 34 | 005-00-33.91.011 | Гайка | |
| 35 | ЭО-3322А.02.00.010 | Шайба упорная |