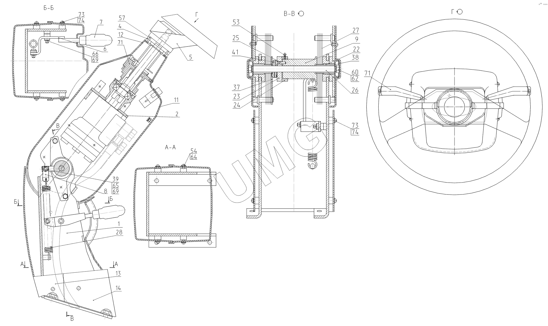
ЕК-18-45-60. 312-20-86.90.100 Колонка рулевая
1
2
4
5
6
7
8
9
11
12
13
14
22
23
24
25
26
27
28
37
38
39
41
53
57
60
62
65
66
69
69
71
71
73
73
74
74
| Позиция на иллюстрации | Заводской номер детали | Название детали | |
|---|---|---|---|
| 1 | 312-20-86.90.110 | Основание | |
| 2 | 312-20-86.90.120 | Вилка | |
| 4 | 312-20-86.90.140 | Муфта | |
| 5 | 312-20-86.90.150 | Установка руля | |
| 6 | 312-20-86.90.160 | Рычаг | |
| 7 | 312-20-86.90.170 | Ручка | |
| 8 | 005-04-02.05.160 | Рычаг | |
| 9 | 005-04-02.05.170 | Каретка | |
| 11 | 312-20-86.90.101 | Облицовка | |
| 12 | 312-20-86.90.102 | Облицовка | |
| 13 | 312-20-86.90.103 | Облицовка | |
| 14 | 312-20-86.90.104 | Облицовка | |
| 22 | 005-04-02.05.105 | Втулка | |
| 23 | 005-04-02.05.106 | Муфта | |
| 24 | 005-04-02.05.107 | Гайка | |
| 25 | 005-04-02.05.108 | Штифт | |
| 26 | 005-04-02.05.109 | Ось | |
| 27 | 005-04-02.05.111 | Пластина | |
| 28 | 005-04-02.05.112 | Пружина | |
| 37 | 005-04-02.05.002 | Пластана | |
| 38 | 005-04-02.05.004 | Шайба | |
| 39 | 005-04-02.05.005 | Ось | |
| 41 | 005-04-02.05.011 | Фиксатор | |
| 53 | В.М4-6gx12.48.016 | Винт | |
| 57 | В.М4-6gx16.48.016 | Винт | |
| 60 | М10-6Н.5.016 | Гайка | |
| 62 | 10.65Г.016 | Шайба | |
| 65 | С8.01.08кп.019 | Шайба | |
| 66 | С10.01.08кп.019 | Шайба | |
| 69 | 2х20.019 | Шплинт | |
| 71 | 68.3709 | Переключатель | |
| 73 | Саморез4,2х19 | Саморез оцинкованный с прессшайбой | |
| 74 | 2121-5004286 | Гайка |